Yard-Man YARD VAC 24A-060F643 (2003) Fangsack, Messerträger, Saugmaul Ersatzteile
Fangsack, Messerträger, Saugmaul 24A-060F643 (2003)

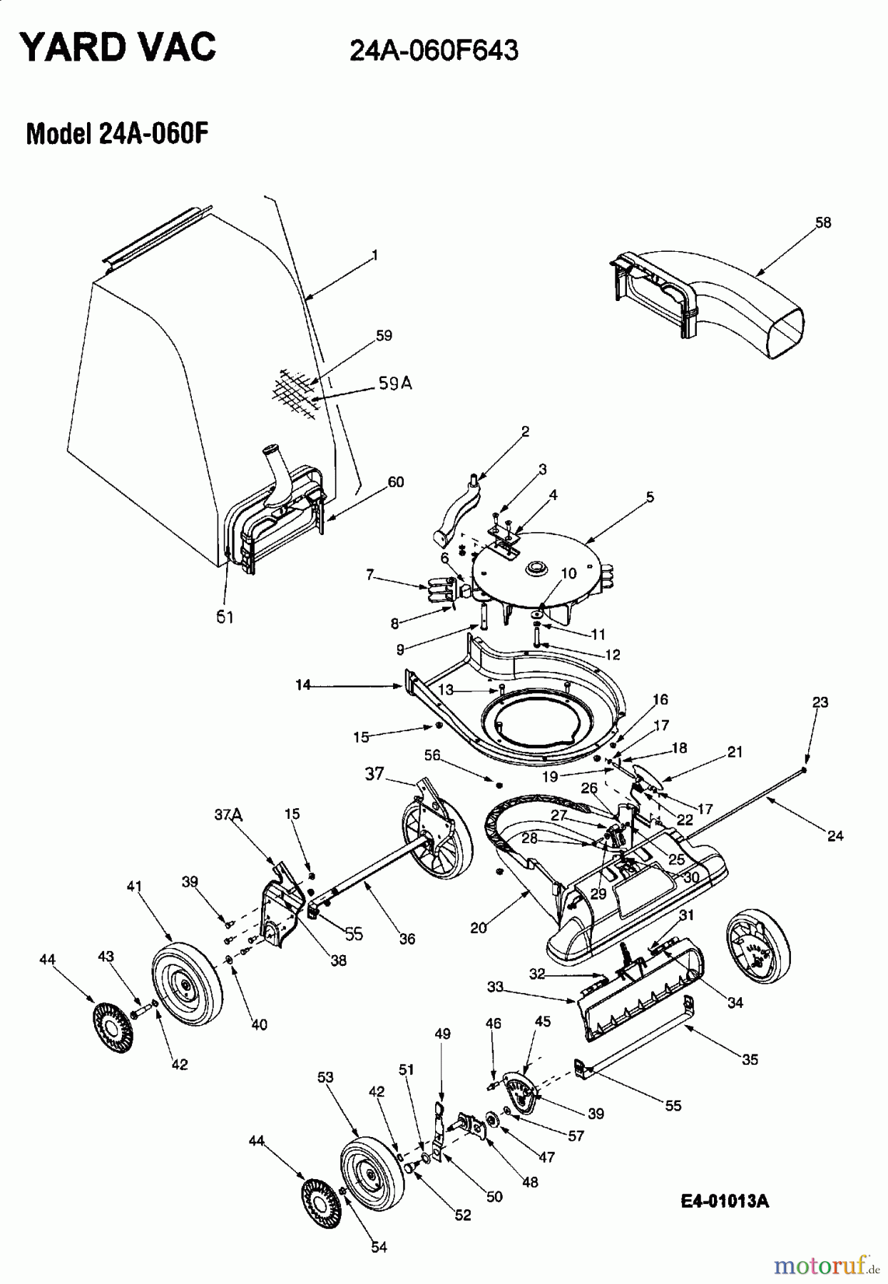
Hier finden Sie die Ersatzteilzeichnung für Yard-Man Laubbläser, Laubsauger YARD VAC 24A-060F643 (2003) Fangsack, Messerträger, Saugmaul. Wählen Sie das benötigte Ersatzteil aus der Ersatzteilliste Ihres Yard-Man Gerätes aus und bestellen Sie einfach online. Viele Yard-Man Ersatzteile halten wir ständig in unserem Lager für Sie bereit.


Qualitätsmanagement
Informieren Sie uns, wenn Sie einen Fehler gefunden haben.
















