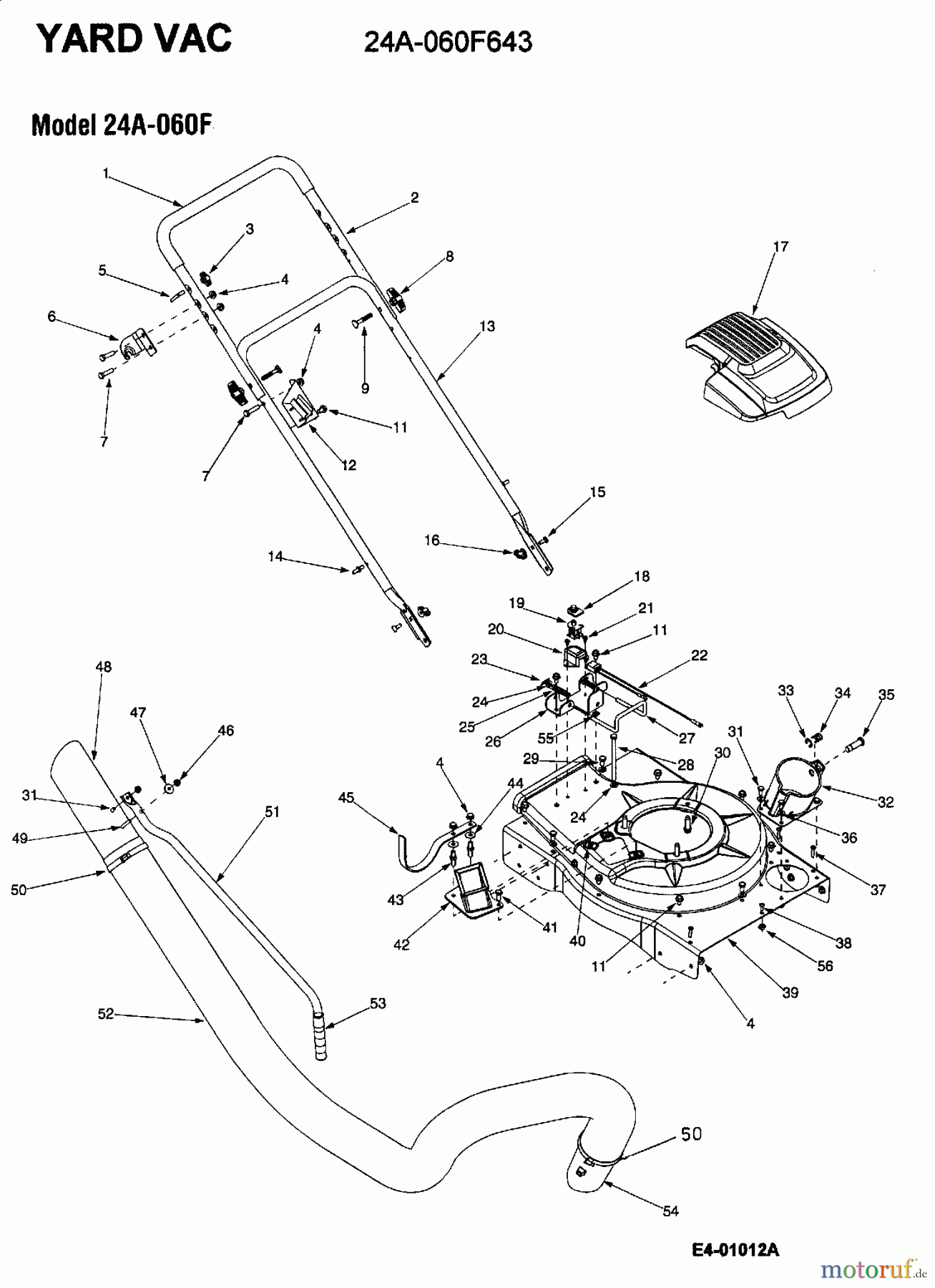
Yard-Man YARD VAC 24A-060F643 (2003) Holm, Saugschlauch Ersatzteile
Holm, Saugschlauch 24A-060F643 (2003)

Hier finden Sie die Ersatzteilzeichnung für Yard-Man Laubbläser, Laubsauger YARD VAC 24A-060F643 (2003) Holm, Saugschlauch. Wählen Sie das benötigte Ersatzteil aus der Ersatzteilliste Ihres Yard-Man Gerätes aus und bestellen Sie einfach online. Viele Yard-Man Ersatzteile halten wir ständig in unserem Lager für Sie bereit.


Qualitätsmanagement
Informieren Sie uns, wenn Sie einen Fehler gefunden haben.
















