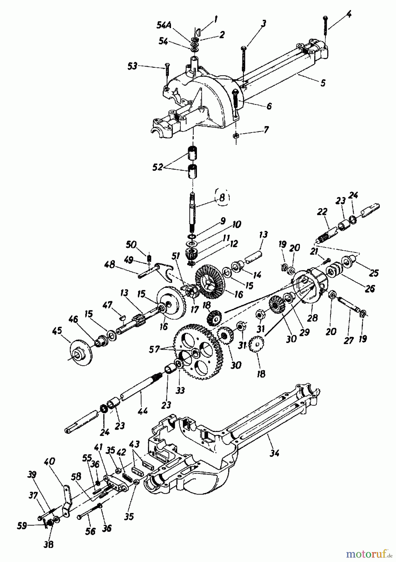
Columbia 8/760 HA 138-5040 (1988) Getriebe Ersatzteile
Getriebe 138-5040 (1988)

Hier finden Sie die Ersatzteilzeichnung für Columbia Rasentraktoren 8/760 HA 138-5040 (1988) Getriebe. Wählen Sie das benötigte Ersatzteil aus der Ersatzteilliste Ihres Columbia Gerätes aus und bestellen Sie einfach online. Viele Columbia Ersatzteile halten wir ständig in unserem Lager für Sie bereit.


Qualitätsmanagement
Informieren Sie uns, wenn Sie einen Fehler gefunden haben.




















