MTD Vacu-Jet-Star 245-6850 (1986) Ersatzteile
245-6850 (1986) Vacu-Jet-Star

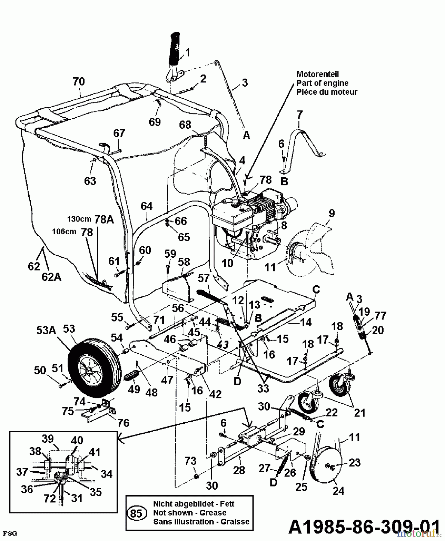
Hier finden Sie die Ersatzteilzeichnung für MTD Laubbläser, Laubsauger Vacu-Jet-Star 245-6850 (1986) Grundgerät. Wählen Sie das benötigte Ersatzteil aus der Ersatzteilliste Ihres MTD Gerätes aus und bestellen Sie einfach online. Viele MTD Ersatzteile halten wir ständig in unserem Lager für Sie bereit.














