MTD Minirider 76 SDE 13B226JD600 (2015) Verkleidungen Ersatzteile
Verkleidungen 13B226JD600 (2015)

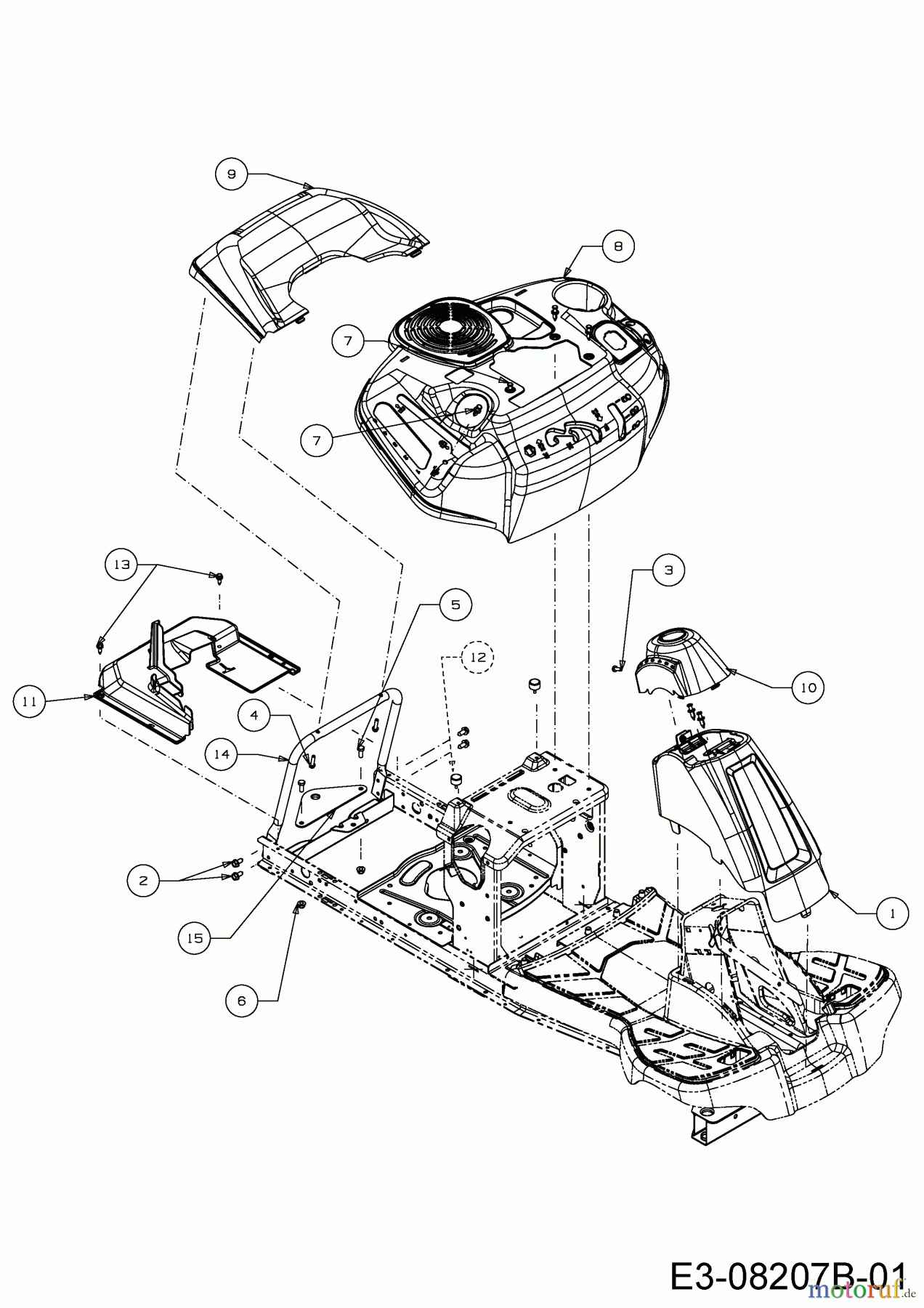
Hier finden Sie die Ersatzteilzeichnung für MTD Rasentraktoren Minirider 76 SDE 13B226JD600 (2015) Verkleidungen. Wählen Sie das benötigte Ersatzteil aus der Ersatzteilliste Ihres MTD Gerätes aus und bestellen Sie einfach online. Viele MTD Ersatzteile halten wir ständig in unserem Lager für Sie bereit.


Qualitätsmanagement
Informieren Sie uns, wenn Sie einen Fehler gefunden haben.






