MTD 15.5/42 13AM775S308 (2014) Mähwerk S (42"/107cm) ab 19.05.2014 Ersatzteile
Mähwerk S (42"/107cm) ab 19.05.2014 13AM775S308 (2014)

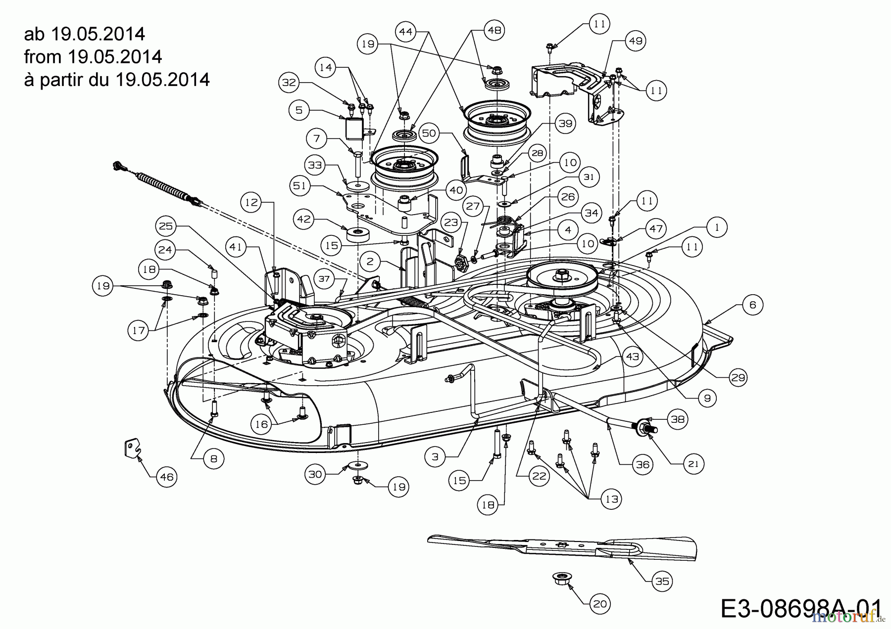
Hier finden Sie die Ersatzteilzeichnung für MTD Rasentraktoren 15.5/42 13AM775S308 (2014) Mähwerk S (42"/107cm) ab 19.05.2014. Wählen Sie das benötigte Ersatzteil aus der Ersatzteilliste Ihres MTD Gerätes aus und bestellen Sie einfach online. Viele MTD Ersatzteile halten wir ständig in unserem Lager für Sie bereit.


Qualitätsmanagement
Informieren Sie uns, wenn Sie einen Fehler gefunden haben.


























