MTD 13.5/38 13A1765F308 (2015) Mähwerk F (38"/96cm) Ersatzteile
Mähwerk F (38"/96cm) 13A1765F308 (2015)

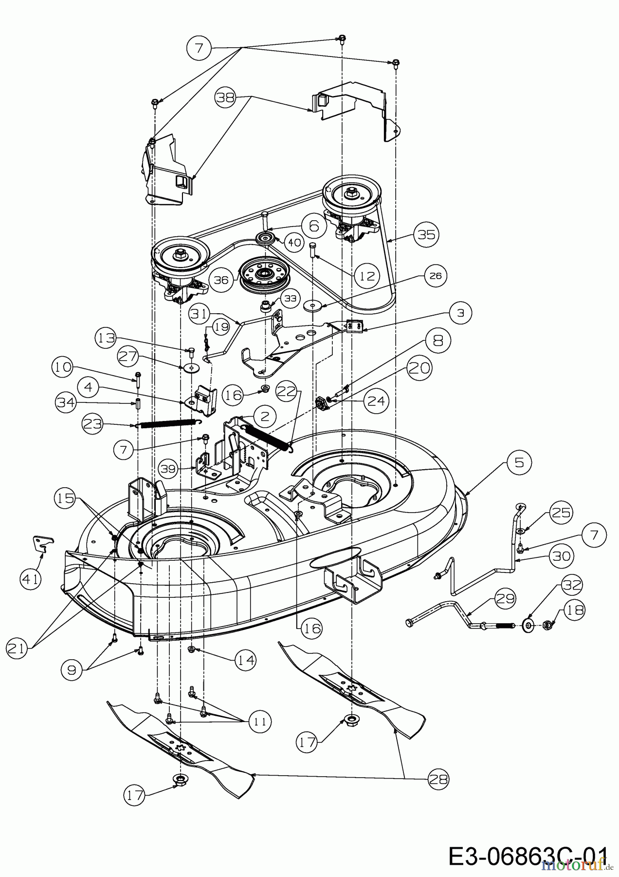
Hier finden Sie die Ersatzteilzeichnung für MTD Rasentraktoren 13.5/38 13A1765F308 (2015) Mähwerk F (38"/96cm). Wählen Sie das benötigte Ersatzteil aus der Ersatzteilliste Ihres MTD Gerätes aus und bestellen Sie einfach online. Viele MTD Ersatzteile halten wir ständig in unserem Lager für Sie bereit.


Qualitätsmanagement
Informieren Sie uns, wenn Sie einen Fehler gefunden haben.






























