MTD 13.5/38 13A1765F308 (2014) Motorzubehör Ersatzteile
Motorzubehör 13A1765F308 (2014)

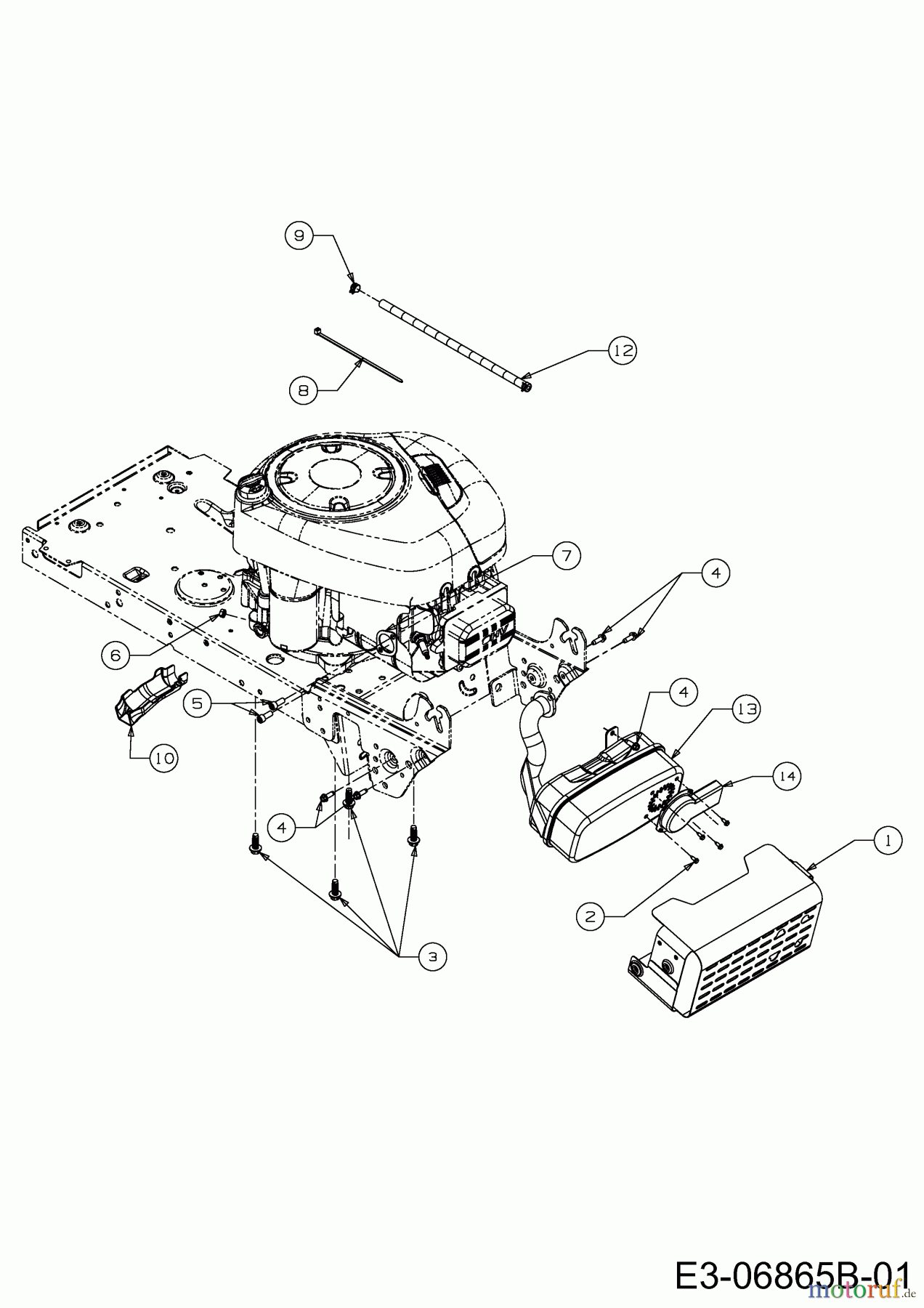
Hier finden Sie die Ersatzteilzeichnung für MTD Rasentraktoren 13.5/38 13A1765F308 (2014) Motorzubehör. Wählen Sie das benötigte Ersatzteil aus der Ersatzteilliste Ihres MTD Gerätes aus und bestellen Sie einfach online. Viele MTD Ersatzteile halten wir ständig in unserem Lager für Sie bereit.










