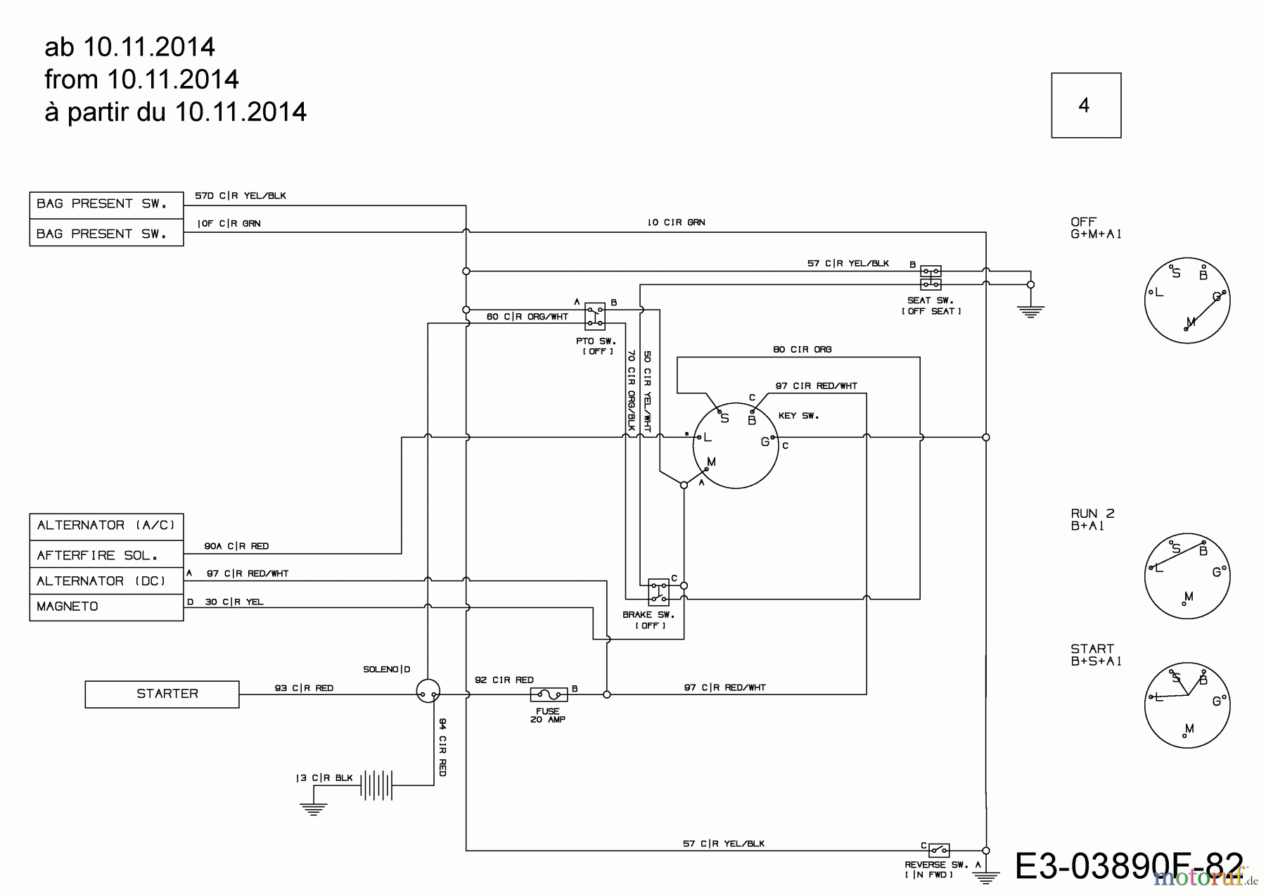
MTD Smart RE 115 13HH765E676 (2015) Schaltplan ab 10.11.2014 Ersatzteile
Schaltplan ab 10.11.2014 13HH765E676 (2015)

Hier finden Sie die Ersatzteilzeichnung für MTD Rasentraktoren Smart RE 115 13HH765E676 (2015) Schaltplan ab 10.11.2014. Wählen Sie das benötigte Ersatzteil aus der Ersatzteilliste Ihres MTD Gerätes aus und bestellen Sie einfach online. Viele MTD Ersatzteile halten wir ständig in unserem Lager für Sie bereit.
| BildNr | Artikel Nummer | Bezeichnung | |
| 4 | 725-05503 | KABELBAUM:LT-5:3POS:B&S:TEC: | |



