MTD 117/22 13AT785T306 (2013) Fahrantrieb Ersatzteile
Fahrantrieb 13AT785T306 (2013)

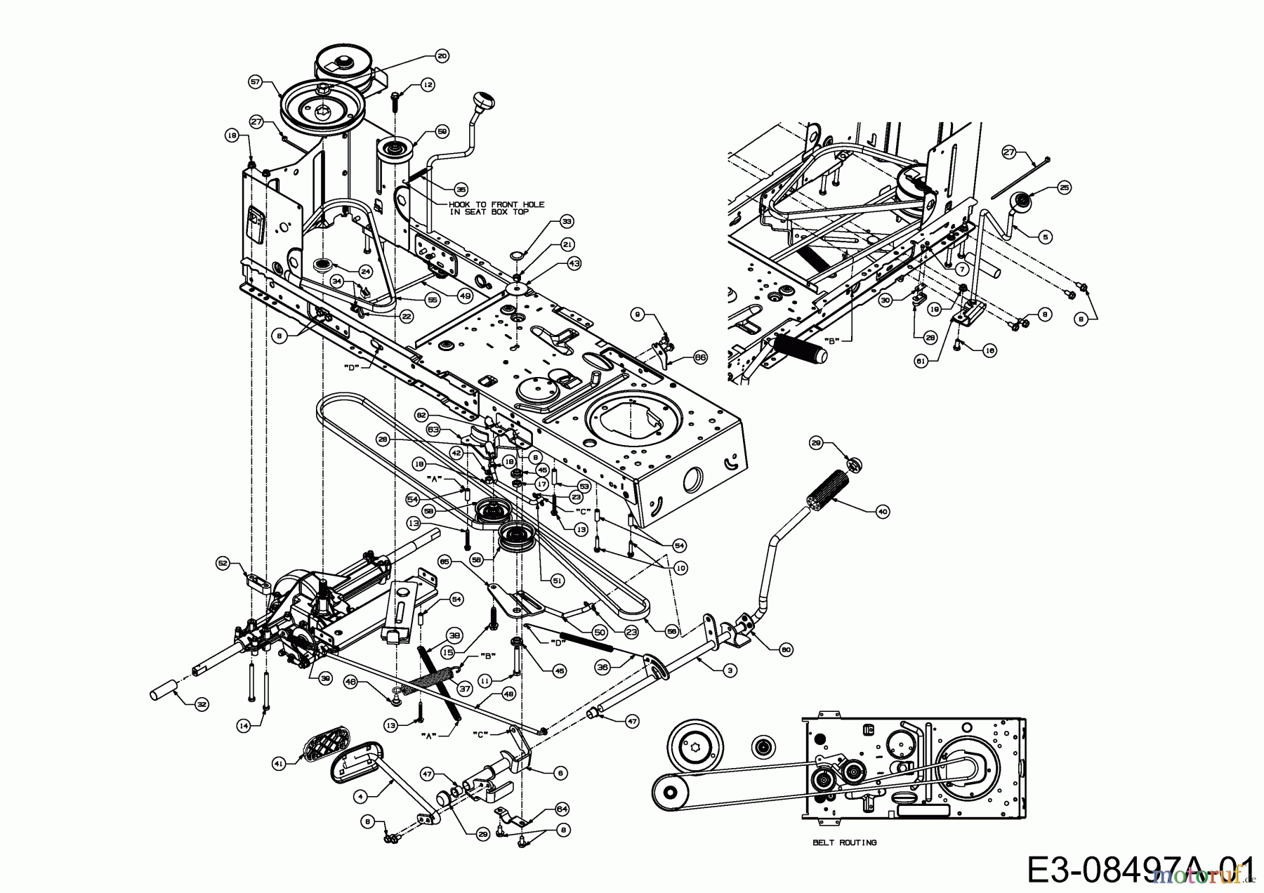
Hier finden Sie die Ersatzteilzeichnung für MTD Rasentraktoren 117/22 13AT785T306 (2013) Fahrantrieb. Wählen Sie das benötigte Ersatzteil aus der Ersatzteilliste Ihres MTD Gerätes aus und bestellen Sie einfach online. Viele MTD Ersatzteile halten wir ständig in unserem Lager für Sie bereit.


Qualitätsmanagement
Informieren Sie uns, wenn Sie einen Fehler gefunden haben.































