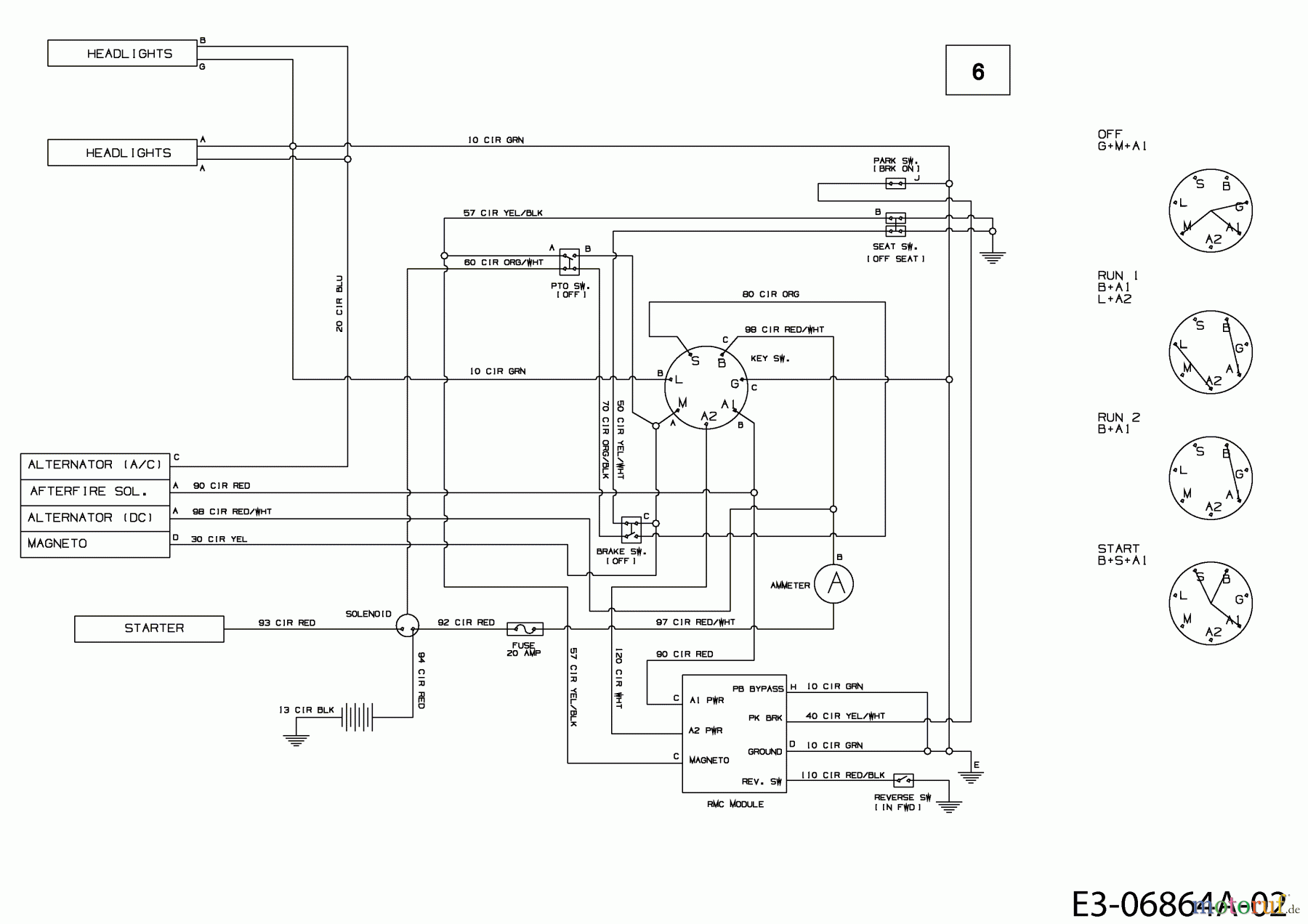
MTD 117/22 13AT785T306 (2013) Schaltplan Ersatzteile
Schaltplan 13AT785T306 (2013)

Hier finden Sie die Ersatzteilzeichnung für MTD Rasentraktoren 117/22 13AT785T306 (2013) Schaltplan. Wählen Sie das benötigte Ersatzteil aus der Ersatzteilliste Ihres MTD Gerätes aus und bestellen Sie einfach online. Viele MTD Ersatzteile halten wir ständig in unserem Lager für Sie bereit.
| BildNr | Artikel Nummer | Bezeichnung | |
| 6 | 725-04432F | ||



