MTD 742 RL 13AM772S329 (2013) Motorzubehör Ersatzteile
Motorzubehör 13AM772S329 (2013)

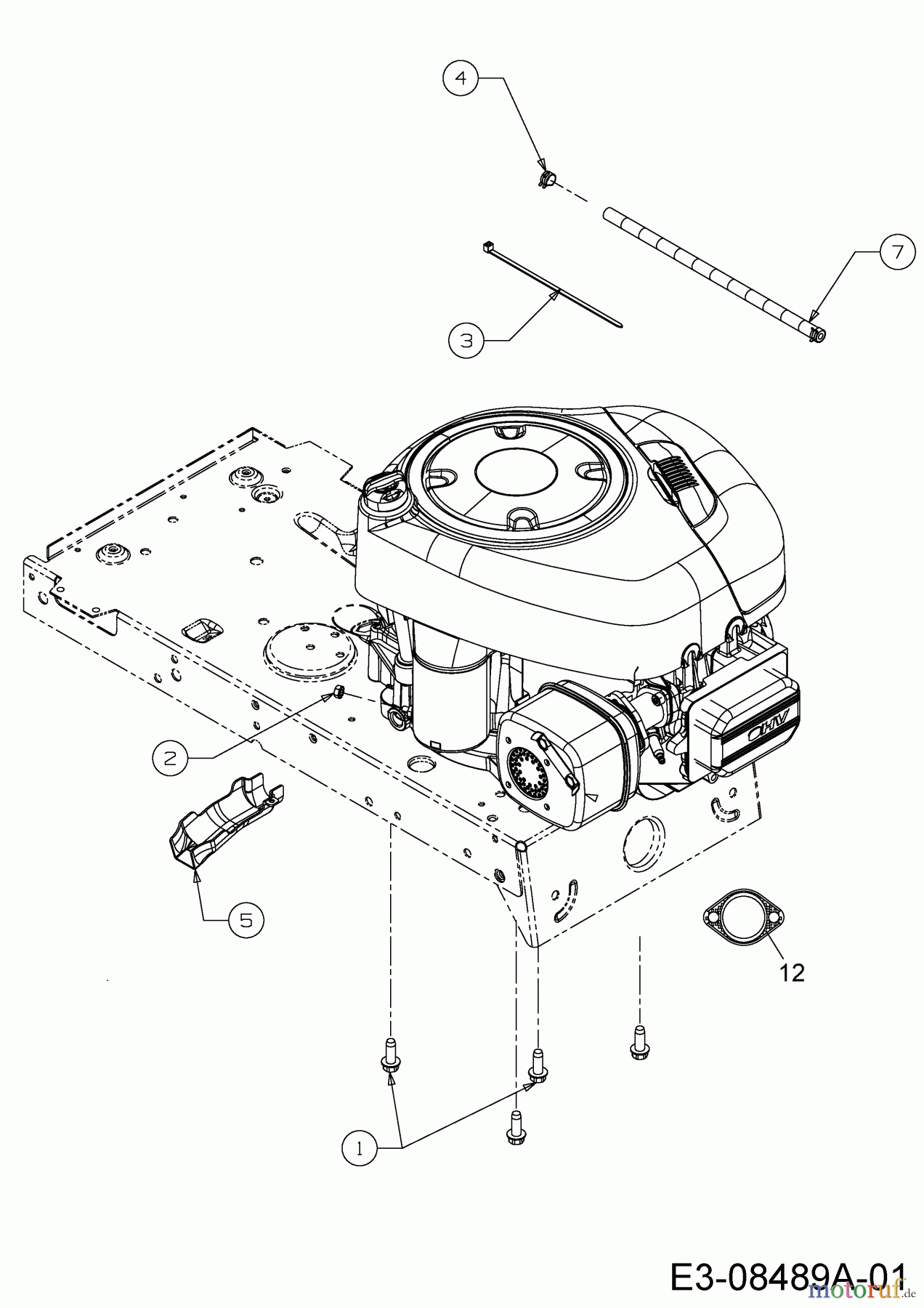
Hier finden Sie die Ersatzteilzeichnung für MTD Rasentraktoren 742 RL 13AM772S329 (2013) Motorzubehör. Wählen Sie das benötigte Ersatzteil aus der Ersatzteilliste Ihres MTD Gerätes aus und bestellen Sie einfach online. Viele MTD Ersatzteile halten wir ständig in unserem Lager für Sie bereit.


Qualitätsmanagement
Informieren Sie uns, wenn Sie einen Fehler gefunden haben.





