MTD Minirider 60 RD 13A625EC600 (2014) Elektroteile Ersatzteile
Elektroteile 13A625EC600 (2014)

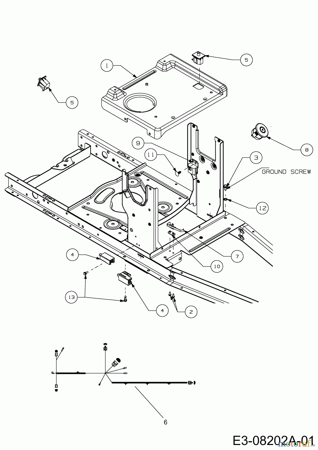
Hier finden Sie die Ersatzteilzeichnung für MTD Rasentraktoren Minirider 60 RD 13A625EC600 (2014) Elektroteile. Wählen Sie das benötigte Ersatzteil aus der Ersatzteilliste Ihres MTD Gerätes aus und bestellen Sie einfach online. Viele MTD Ersatzteile halten wir ständig in unserem Lager für Sie bereit.


Qualitätsmanagement
Informieren Sie uns, wenn Sie einen Fehler gefunden haben.







