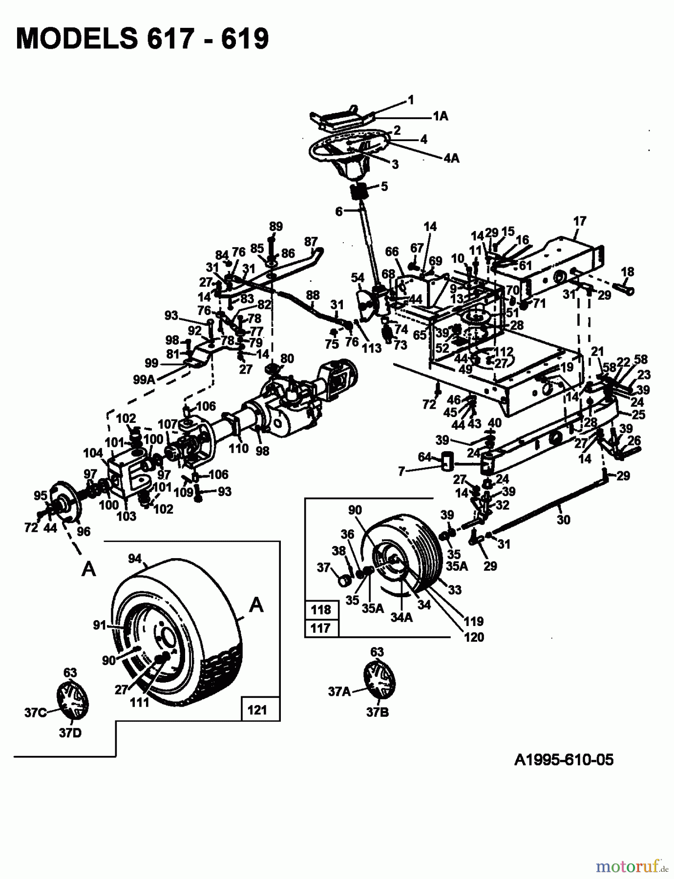
Columbia 114/107 N 133S619G626 (1993) Vorderachse Ersatzteile
Vorderachse 133S619G626 (1993)

Hier finden Sie die Ersatzteilzeichnung für Columbia Rasentraktoren 114/107 N 133S619G626 (1993) Vorderachse. Wählen Sie das benötigte Ersatzteil aus der Ersatzteilliste Ihres Columbia Gerätes aus und bestellen Sie einfach online. Viele Columbia Ersatzteile halten wir ständig in unserem Lager für Sie bereit.


Qualitätsmanagement
Informieren Sie uns, wenn Sie einen Fehler gefunden haben.





































