Columbia 111/960 N 139-6370 (1989) Mähwerk F (38"/96cm) Ersatzteile
Mähwerk F (38"/96cm) 139-6370 (1989)

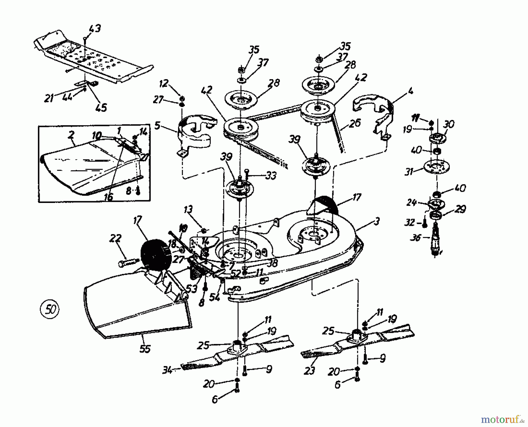
Hier finden Sie die Ersatzteilzeichnung für Columbia Rasentraktoren 111/960 N 139-6370 (1989) Mähwerk F (38"/96cm). Wählen Sie das benötigte Ersatzteil aus der Ersatzteilliste Ihres Columbia Gerätes aus und bestellen Sie einfach online. Viele Columbia Ersatzteile halten wir ständig in unserem Lager für Sie bereit.
Häufig benötigte Columbia 111/960 N 139-6370 (1989) Mähwerk F (38"/96cm) Ersatzteile


Qualitätsmanagement
Informieren Sie uns, wenn Sie einen Fehler gefunden haben.



























