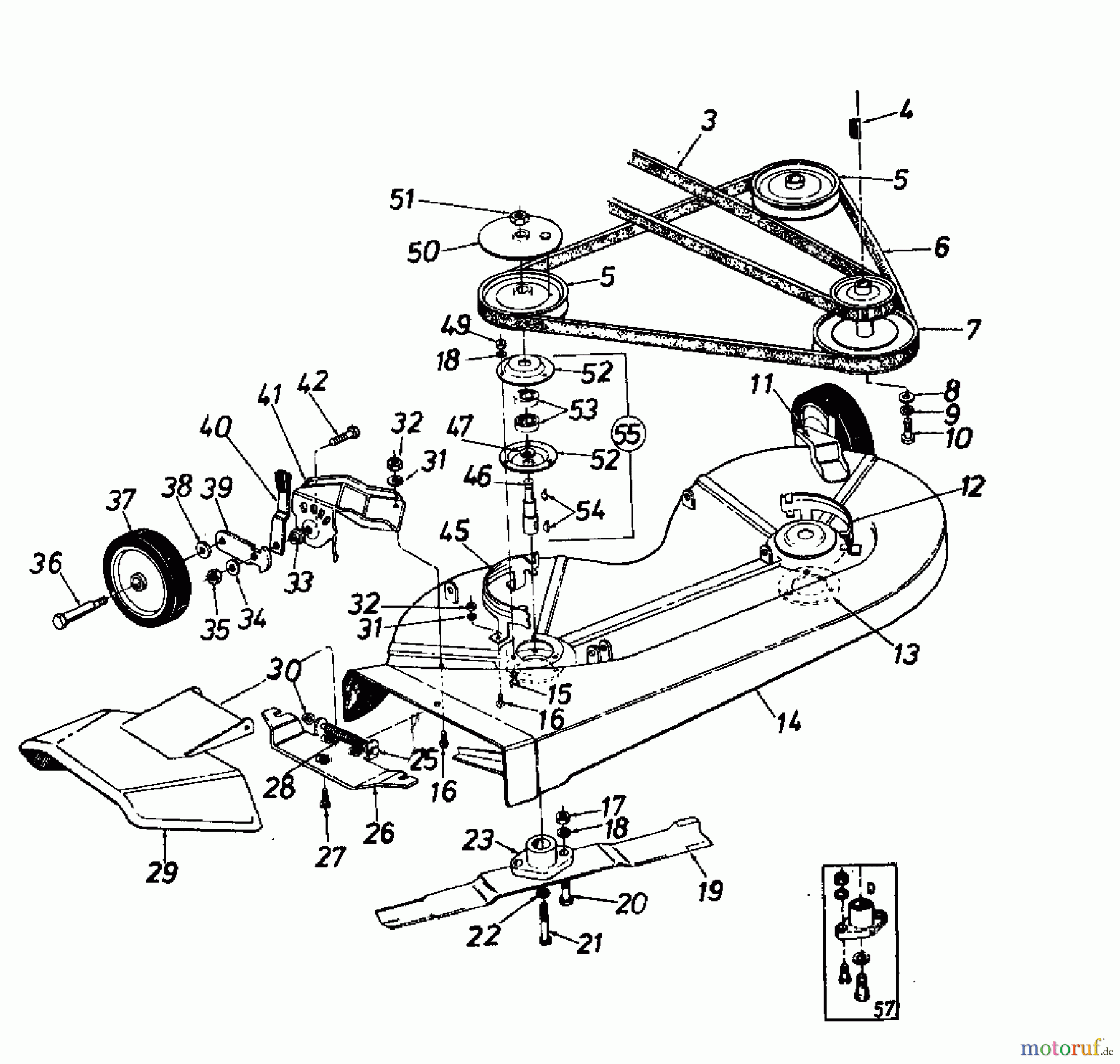
Columbia 111/960 137-6100 (1987) Mähwerk 38"/96cm Ersatzteile
Mähwerk 38"/96cm 137-6100 (1987)

Hier finden Sie die Ersatzteilzeichnung für Columbia Rasentraktoren 111/960 137-6100 (1987) Mähwerk 38"/96cm. Wählen Sie das benötigte Ersatzteil aus der Ersatzteilliste Ihres Columbia Gerätes aus und bestellen Sie einfach online. Viele Columbia Ersatzteile halten wir ständig in unserem Lager für Sie bereit.


Qualitätsmanagement
Informieren Sie uns, wenn Sie einen Fehler gefunden haben.






















