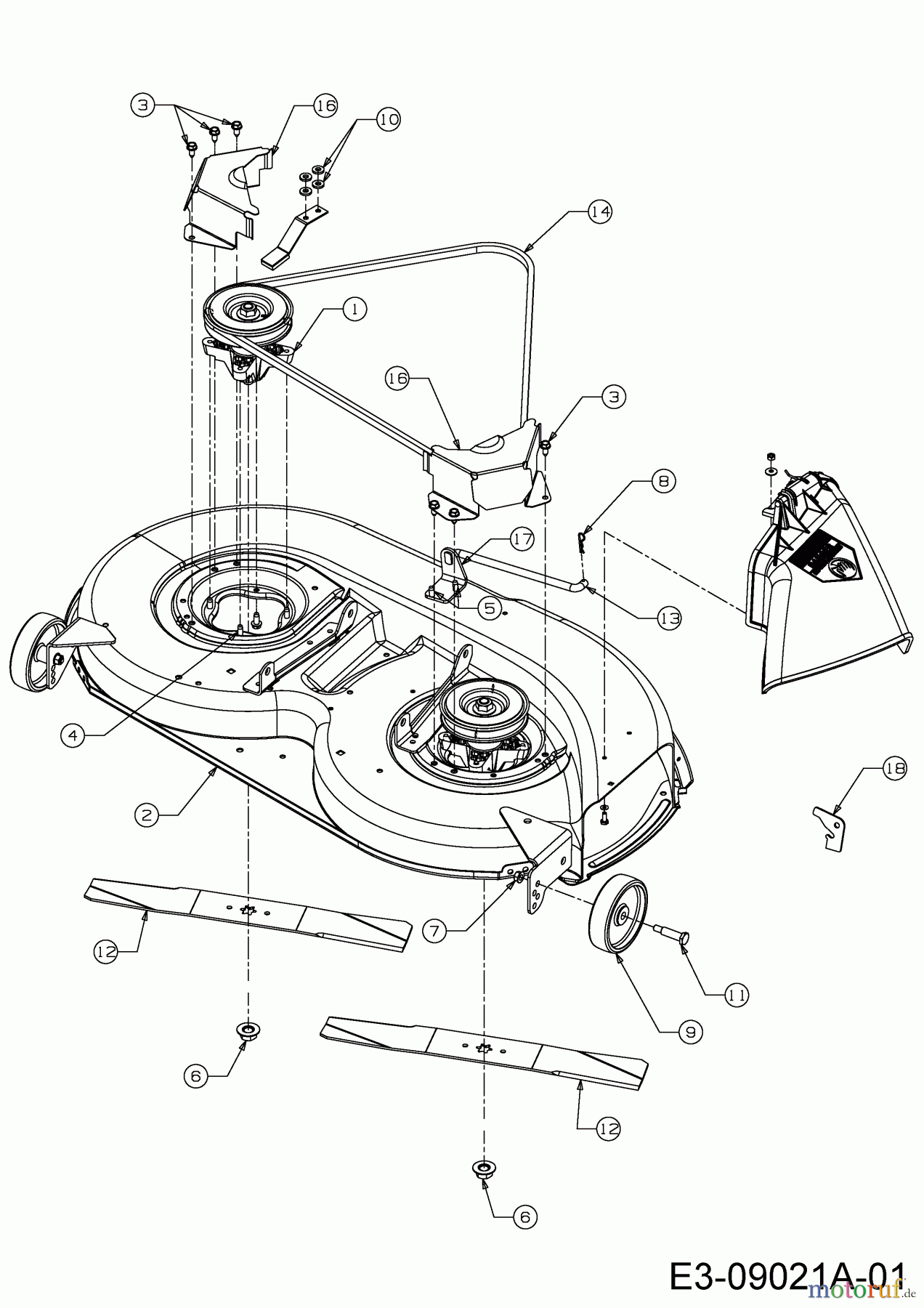
MTD H 180 13AQ698G678 (2004) Mähwerk G (42"/107cm) Ersatzteile
Mähwerk G (42"/107cm) 13AQ698G678 (2004)

Hier finden Sie die Ersatzteilzeichnung für MTD Rasentraktoren H 180 13AQ698G678 (2004) Mähwerk G (42"/107cm). Wählen Sie das benötigte Ersatzteil aus der Ersatzteilliste Ihres MTD Gerätes aus und bestellen Sie einfach online. Viele MTD Ersatzteile halten wir ständig in unserem Lager für Sie bereit.













