Einstellungen Computer

Columbia 111/960 137-6100 (1987) Armaturenbrett, Motorhaube, Sitzwanne Ersatzteile

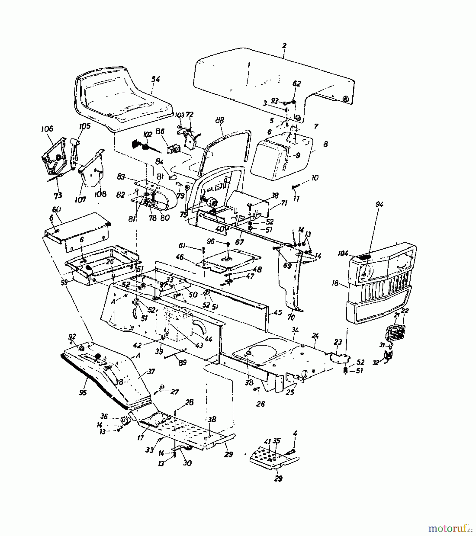
Armaturenbrett, Motorhaube, Sitzwanne 137-6100 (1987)

 Columbia Rasentraktoren 111/960 137-6100  (1987) Armaturenbrett, Motorhaube, Sitzwanne

Hier finden Sie die Ersatzteilzeichnung für Columbia Rasentraktoren 111/960 137-6100 (1987) Armaturenbrett, Motorhaube, Sitzwanne. Wählen Sie das benötigte Ersatzteil aus der Ersatzteilliste Ihres Columbia Gerätes aus und bestellen Sie einfach online. Viele Columbia Ersatzteile halten wir ständig in unserem Lager für Sie bereit.

BildNrArtikel NummerBezeichnung
1 732-0414
2 14616MOTORHAUBE
3 712-0272SKT-MUTTER:#10-24
4 738-0145SHLT-SCHRAUBE.500X.835":3/8-16
5 723-0302HAUBENAUFFANGLEINE
6 710-0473HALBR.SCHR:#10-24:0.500:TRUSPH
7 723-0333TANKVERSCHLUß M. ANZEIGE L=20
8 751-0172TANK VOLLST.
9 Columbia KABELBINDER: 7.8 x 750 mm726-0209KABELBINDER: 7.8 x 750 mm
10 751-0173
11 726-0207SCHLAUCHKLEMME
13 712-02876KT-MUTTER:1/4-20:GR2
14 Columbia FEDERRING 1/4" NORMALAUSF.736-0329FEDERRING 1/4" NORMALAUSF.
18 17028KÜHLERGRILL ZUS.
21 731-0705SCHEINWERFERGEHÄUSE
22 731-0706SCHEINWERFERGLAS
23 13863RAHMEN
24 14619
25 13862SUPPORT DROIT
26 Columbia 6KT-SCHR:AB:5/16-12:0.750710-07266KT-SCHR:AB:5/16-12:0.750
27 710-0495FLACHKOPFSCHR.1/4-20 X 2"
28 Columbia FLRD-SCHRAUBE:1/4-20:.62:GR5710-0134FLRD-SCHRAUBE:1/4-20:.62:GR5
29 14604
30 761-0169BREMSE F.SCHNEIDM. ZUS.
31 Columbia GLÜHLAMPE:12V 21W725-0963GLÜHLAMPE:12V 21W
32 725-1058
33 710-0323FLK-SCHR:5/16-18:0.750:TRUSPHI
34 15930RAHMEN,UNTERTEIL
35 Columbia FEDERRING 3/8"736-0169FEDERRING 3/8"
36 14671KLEMMSTÜCK
37 16197
37 14666KOTFLÜGEL SILBER
38 710-01186KT-SCHR.5/16-18:.75:GR2:STD
39 14602
40 710-0258SKT-SCHR.1/4-20X.62" LG.
41 712-07986KT-MUTTER:3/8-16:GR2
42 747-0475BATTERIESPANNHAKEN
43 731-0718GUMMIBAND
44 725-0514
45 14603
46 16433
47 725-0759SCHALTER
48 726-0222ISOLATOR
50 14607RAHMENTEIL HINTEN
51 712-02676KT-MUTTER:5/16-18:GR2
52 Columbia FEDERRING:5/16" NORMALAUSF.736-0119FEDERRING:5/16" NORMALAUSF.
54 757-0285SITZ KOMPL.
59 731-0561WERKZEUGKASTEN
60 14789SPRITZSCHUTZPLATTE
61 710-0351KREUZSCHLITZ-SCHR:#10-16:0.500
62 736-0413FL-SCHEIBE:.390 x .625 x .012
67 749-0517STREBE
69 710-0255FLK-SCHR.1/4-20:.750:BUT
70 14669
70 14670KÜHLERVERKLEIDUNG RECHTS
71 16184ARMATURENBRETT
72 731-0823
73 Columbia BOWDENZUG LOSE 18.5"746-0501BOWDENZUG LOSE 18.5"
75 725-0267ZÜNDSCHLOß M.SCHL. 5POL (ADAPT
79 Columbia ZÜNDSCHLÜSSEL725-0201ZÜNDSCHLÜSSEL
80 710-0865SCHRAUBE 1/2
81 736-0921FEDERRING 1/2"
82 Columbia 6KT-SCHR:5/16-18:1.00:GR5:STD710-03766KT-SCHR:5/16-18:1.00:GR5:STD
83 732-0458SITZFEDER
84 Columbia WIPPSCHALTER:LICHT725-0634WIPPSCHALTER:LICHT
86 725-0925AMPEREMETER ECKIG
88 731-0511KANTENSCHUTZ
89 738-0526HALTESTANGE, TRITTBRETT
92 712-0272SKT-MUTTER:#10-24
93 738-0724SCHULTERSCHRAUBE .375 DIA X .1
94 712-0380SKT.-S-MUTTER 1/4-28:GRF
95 731-0511KANTENSCHUTZ
96 Columbia 6KT-BLECHSCHR:#8-18:0.500:HXIN710-02276KT-BLECHSCHR:#8-18:0.500:HXIN
97 726-0139BLECHMUTTER NR. 10 U-TYP
102 746-0615
103 710-0779
104 722-0157DÄMPFUNGSGUMMI 3/8X1 1/8"
105 731-0823
106 731-0796
107 731-0797
108 Columbia 6KT-SCHR:B:#10-16:0.440:HEX710-09196KT-SCHR:B:#10-16:0.440:HEX
Rasen
Bankeinzug, MasterCard, Visa, American Express, PayPal, Nachnahme, Vorauskasse, Sofortüberweisung
Datenschutzerklärung Impressum
Qualitätsmanagement
Informieren Sie uns, wenn Sie einen Fehler gefunden haben.