Columbia 111/960 137-6100 (1987) Fahrantrieb, Motorkeilriemenscheibe, Pedal, Räder hinten Ersatzteile
Fahrantrieb, Motorkeilriemenscheibe, Pedal, Räder hinten 137-6100 (1987)

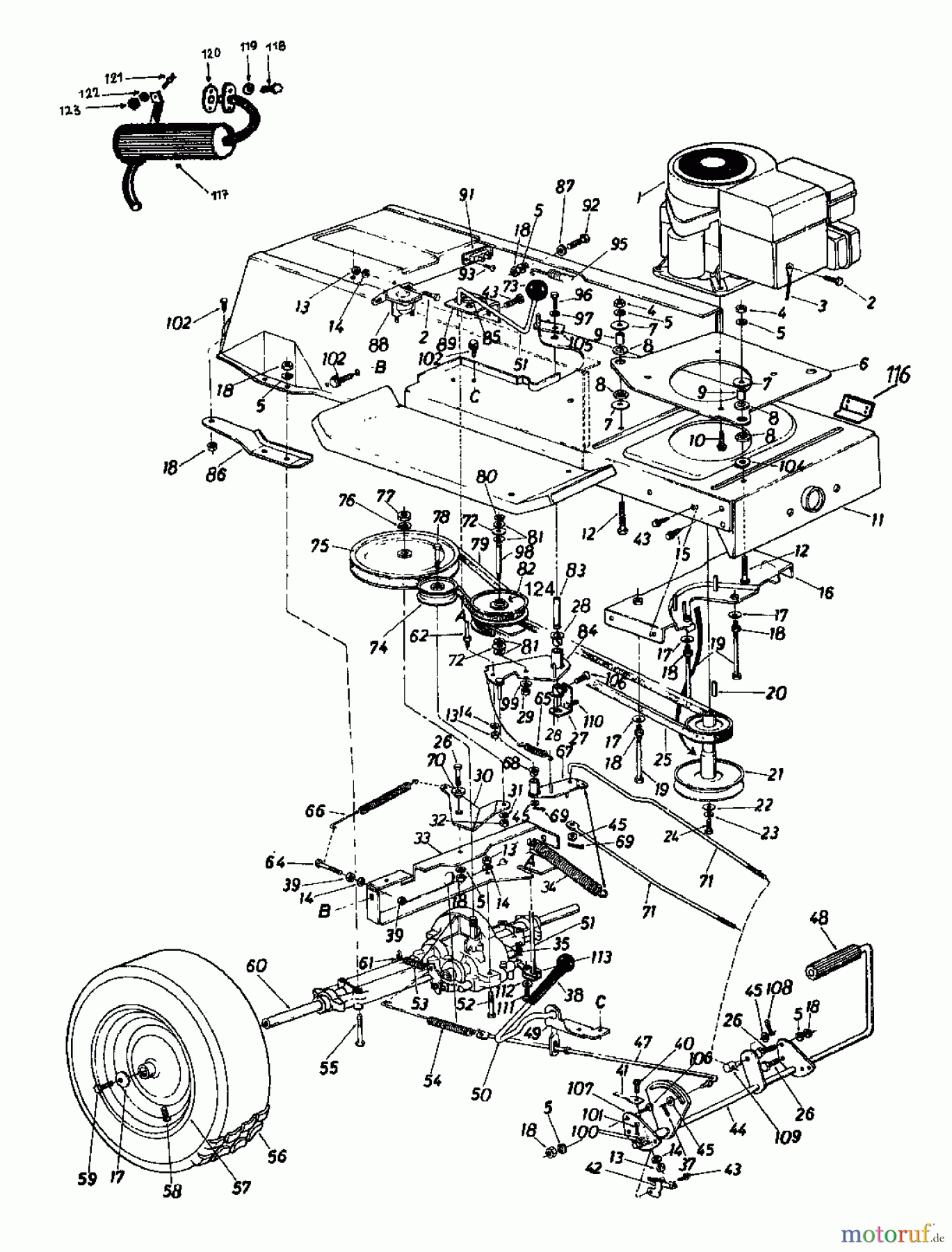
Hier finden Sie die Ersatzteilzeichnung für Columbia Rasentraktoren 111/960 137-6100 (1987) Fahrantrieb, Motorkeilriemenscheibe, Pedal, Räder hinten. Wählen Sie das benötigte Ersatzteil aus der Ersatzteilliste Ihres Columbia Gerätes aus und bestellen Sie einfach online. Viele Columbia Ersatzteile halten wir ständig in unserem Lager für Sie bereit.


Qualitätsmanagement
Informieren Sie uns, wenn Sie einen Fehler gefunden haben.














































