MTD 220/105 H 13AU99KN676 (2014) Elektroteile Ersatzteile
Elektroteile 13AU99KN676 (2014)

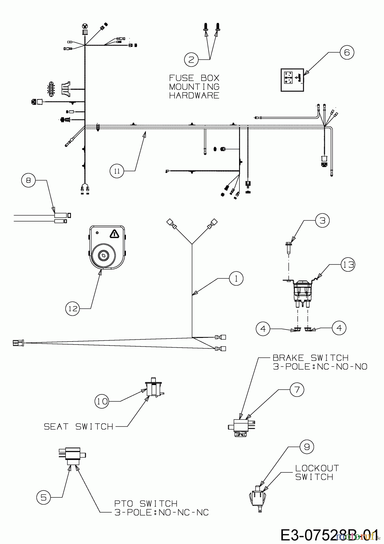
Hier finden Sie die Ersatzteilzeichnung für MTD Rasentraktoren 220/105 H 13AU99KN676 (2014) Elektroteile. Wählen Sie das benötigte Ersatzteil aus der Ersatzteilliste Ihres MTD Gerätes aus und bestellen Sie einfach online. Viele MTD Ersatzteile halten wir ständig in unserem Lager für Sie bereit.


Qualitätsmanagement
Informieren Sie uns, wenn Sie einen Fehler gefunden haben.






