Columbia 111/810 138-3470 (1988) Armaturenbrett, Motorhaube, Sitzwanne Ersatzteile
Armaturenbrett, Motorhaube, Sitzwanne 138-3470 (1988)

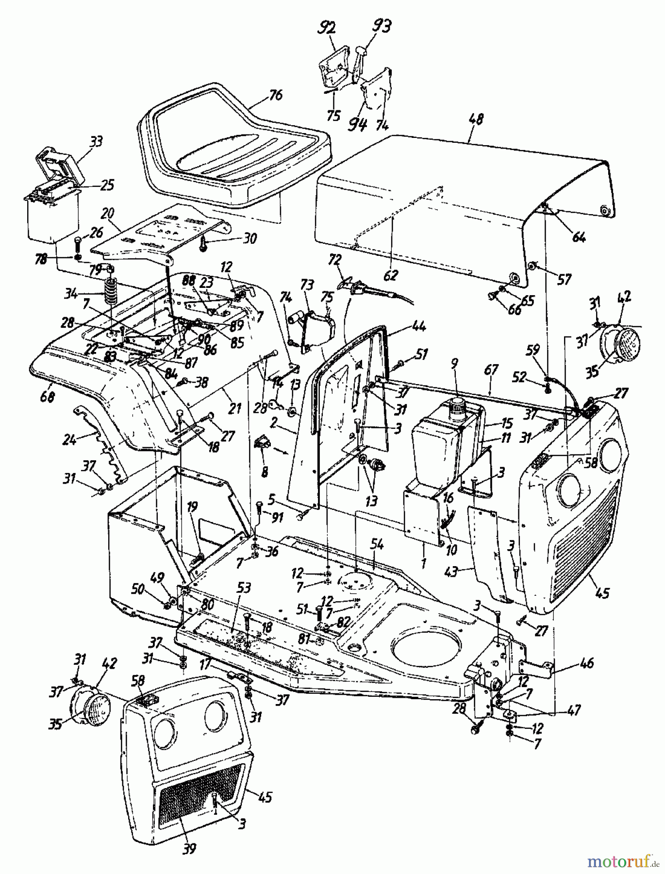
Hier finden Sie die Ersatzteilzeichnung für Columbia Rasentraktoren 111/810 138-3470 (1988) Armaturenbrett, Motorhaube, Sitzwanne. Wählen Sie das benötigte Ersatzteil aus der Ersatzteilliste Ihres Columbia Gerätes aus und bestellen Sie einfach online. Viele Columbia Ersatzteile halten wir ständig in unserem Lager für Sie bereit.




















