MTD Gartentiller 5 219-3200 (1990) Hacksterne Ersatzteile
Hacksterne 219-3200 (1990)

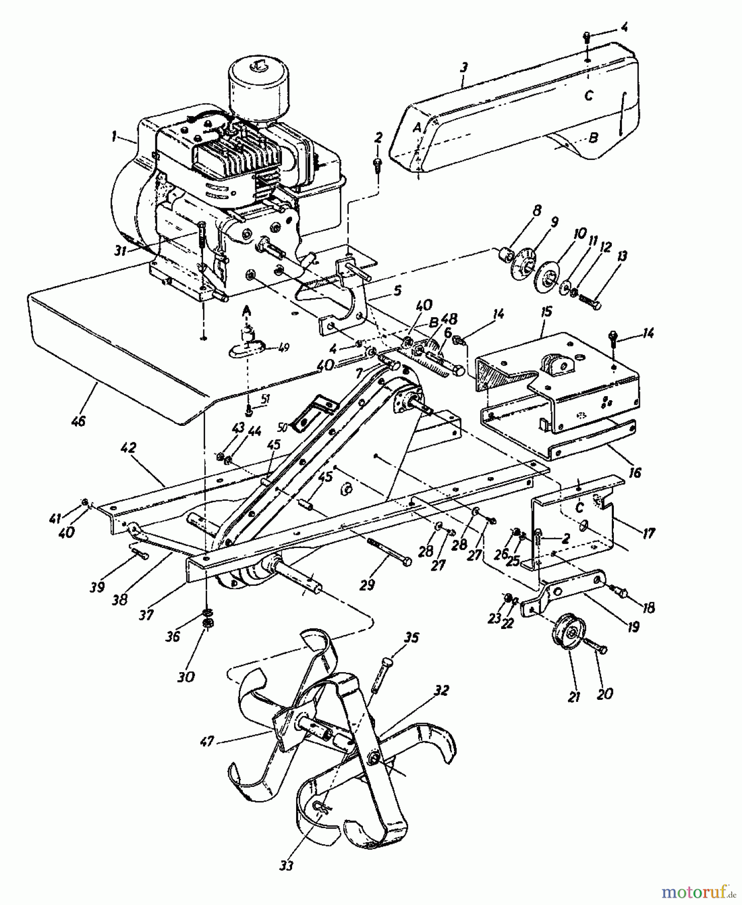
Hier finden Sie die Ersatzteilzeichnung für MTD Motorhacken Gartentiller 5 219-3200 (1990) Hacksterne. Wählen Sie das benötigte Ersatzteil aus der Ersatzteilliste Ihres MTD Gerätes aus und bestellen Sie einfach online. Viele MTD Ersatzteile halten wir ständig in unserem Lager für Sie bereit.


Qualitätsmanagement
Informieren Sie uns, wenn Sie einen Fehler gefunden haben.









