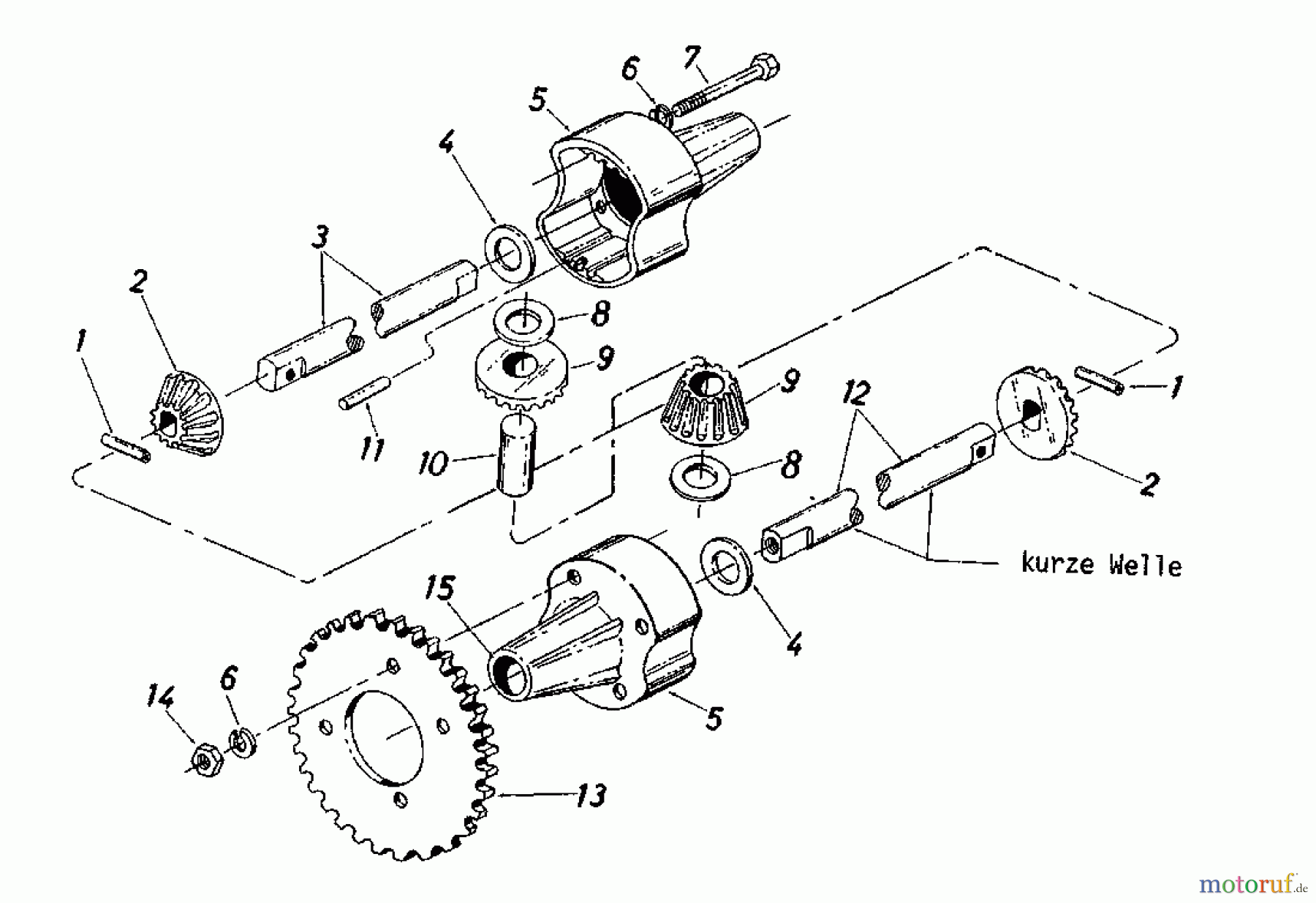
Columbia 110/760 SL 135-3980 (1985) Differential Ersatzteile
Differential 135-3980 (1985)

Hier finden Sie die Ersatzteilzeichnung für Columbia Rasentraktoren 110/760 SL 135-3980 (1985) Differential. Wählen Sie das benötigte Ersatzteil aus der Ersatzteilliste Ihres Columbia Gerätes aus und bestellen Sie einfach online. Viele Columbia Ersatzteile halten wir ständig in unserem Lager für Sie bereit.








