Wolf-Garten Select 76.125 T 13HH76RA650 (2014) Sitzträger Ersatzteile
Sitzträger 13HH76RA650 (2014)

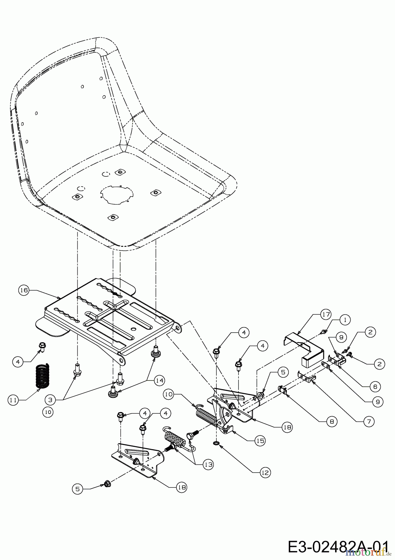
Hier finden Sie die Ersatzteilzeichnung für Wolf-Garten Rasentraktoren Select 76.125 T 13HH76RA650 (2014) Sitzträger. Wählen Sie das benötigte Ersatzteil aus der Ersatzteilliste Ihres Wolf-Garten Gerätes aus und bestellen Sie einfach online. Viele Wolf-Garten Ersatzteile halten wir ständig in unserem Lager für Sie bereit.










