Wolf-Garten Ambition 107.175 H 13TN79RG650 (2014) Mähwerk G (42"/107cm) Ersatzteile
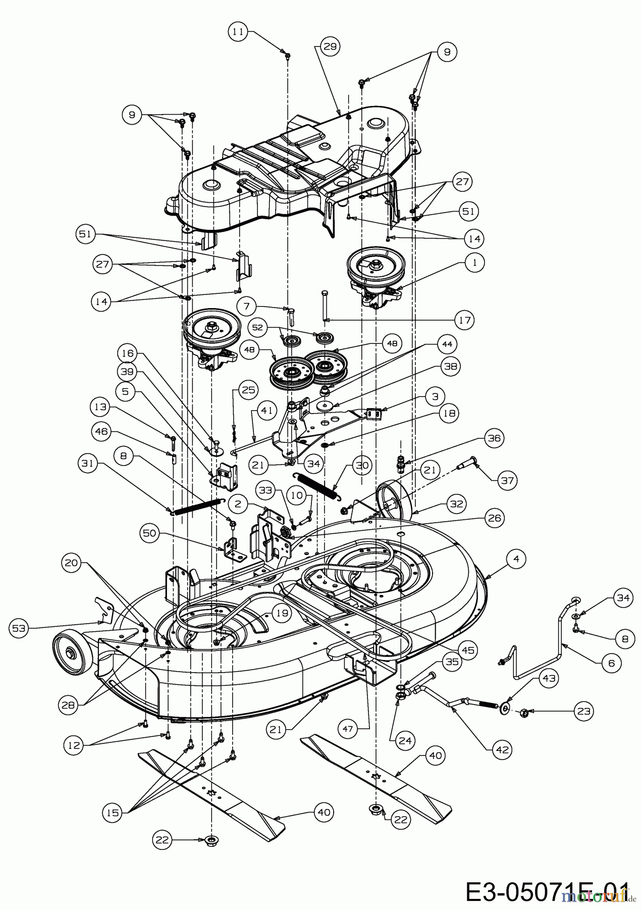
Mähwerk G (42"/107cm) 13TN79RG650 (2014)

Hier finden Sie die Ersatzteilzeichnung für Wolf-Garten Rasentraktoren Ambition 107.175 H 13TN79RG650 (2014) Mähwerk G (42"/107cm). Wählen Sie das benötigte Ersatzteil aus der Ersatzteilliste Ihres Wolf-Garten Gerätes aus und bestellen Sie einfach online. Viele Wolf-Garten Ersatzteile halten wir ständig in unserem Lager für Sie bereit.


Qualitätsmanagement
Informieren Sie uns, wenn Sie einen Fehler gefunden haben.






































