Wolf-Garten Ambition V 378 E 16AFFHPA650 (2014) Ersatzteile
16AFFHPA650 (2014) Ambition V 378 E

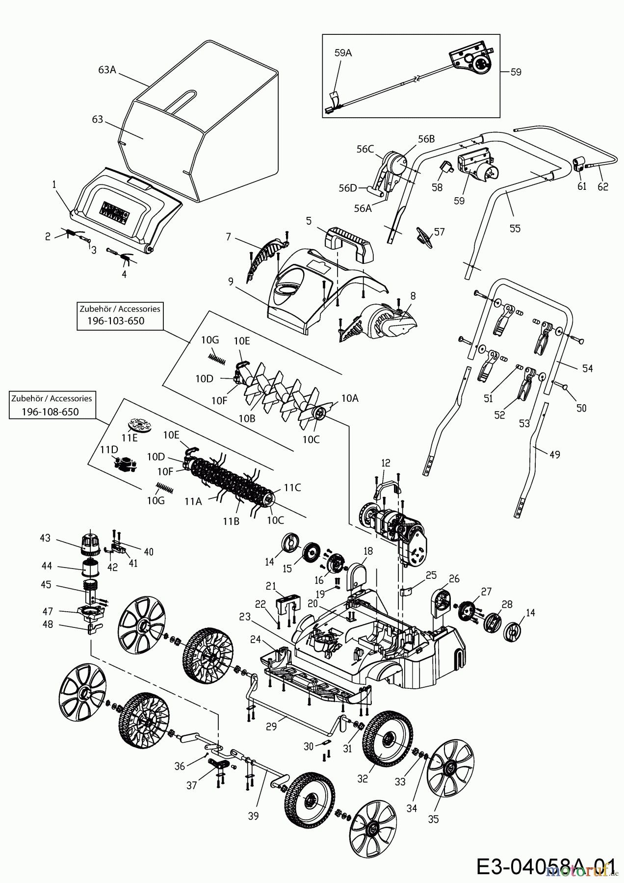
Hier finden Sie die Ersatzteilzeichnung für Wolf-Garten Elektrovertikutierer Ambition V 378 E 16AFFHPA650 (2014) Grundgerät. Wählen Sie das benötigte Ersatzteil aus der Ersatzteilliste Ihres Wolf-Garten Gerätes aus und bestellen Sie einfach online. Viele Wolf-Garten Ersatzteile halten wir ständig in unserem Lager für Sie bereit.
Häufig benötigte Wolf-Garten Ambition V 378 E 16AFFHPA650 (2014) Ersatzteile


Qualitätsmanagement
Informieren Sie uns, wenn Sie einen Fehler gefunden haben.










