Diana 132 VE 02801.06 (1995) Ersatzteile
02801.06 (1995) 132 VE

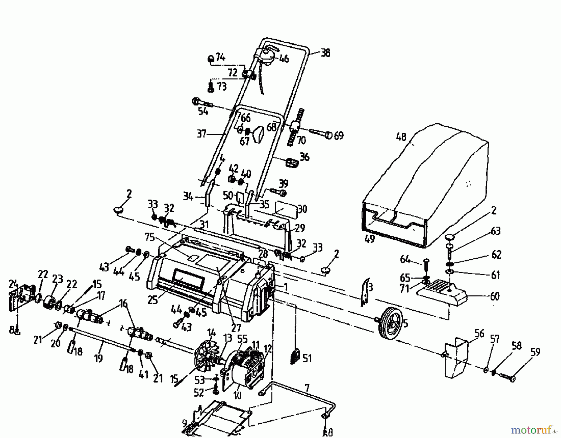
Hier finden Sie die Ersatzteilzeichnung für Diana Elektrovertikutierer 132 VE 02801.06 (1995) Grundgerät. Wählen Sie das benötigte Ersatzteil aus der Ersatzteilliste Ihres Diana Gerätes aus und bestellen Sie einfach online. Viele Diana Ersatzteile halten wir ständig in unserem Lager für Sie bereit.




