Diana 45 E 02824.06 (1995) Ersatzteile
02824.06 (1995) 45 E

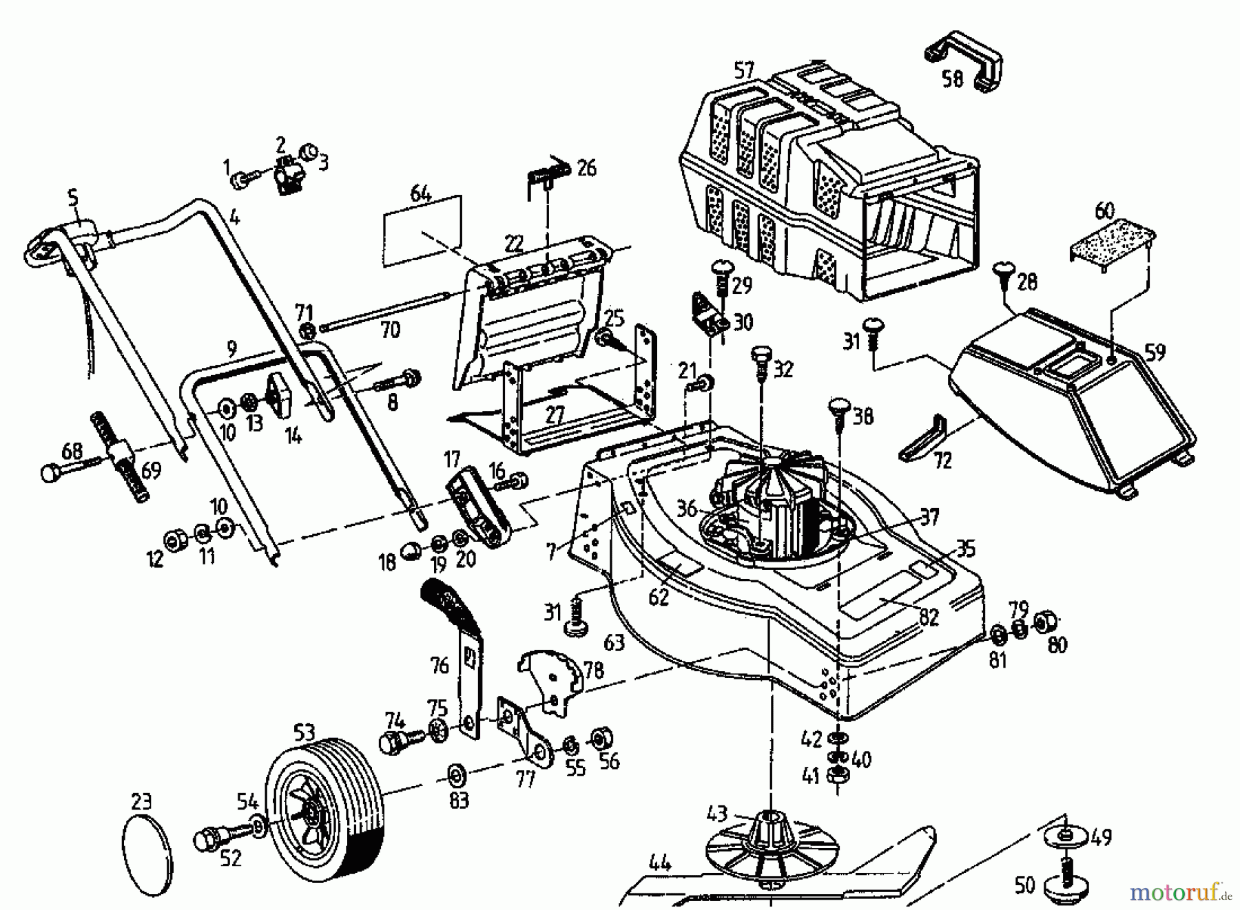
Hier finden Sie die Ersatzteilzeichnung für Diana Elektromäher 45 E 02824.06 (1995) Grundgerät. Wählen Sie das benötigte Ersatzteil aus der Ersatzteilliste Ihres Diana Gerätes aus und bestellen Sie einfach online. Viele Diana Ersatzteile halten wir ständig in unserem Lager für Sie bereit.


Qualitätsmanagement
Informieren Sie uns, wenn Sie einen Fehler gefunden haben.



