Blizzard N 8-61 315-5800 (1985) Fahrantrieb, Fräsantrieb Ersatzteile
Fahrantrieb, Fräsantrieb 315-5800 (1985)

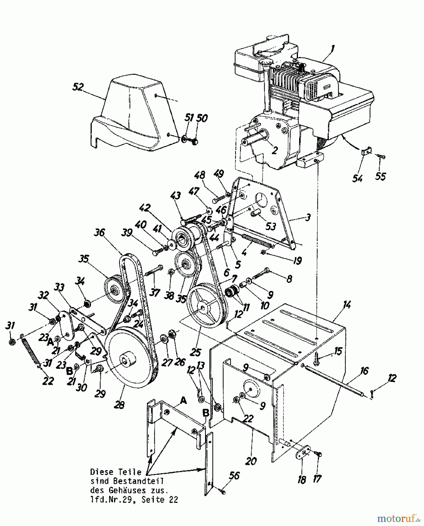
Hier finden Sie die Ersatzteilzeichnung für Blizzard Schneefräsen N 8-61 315-5800 (1985) Fahrantrieb, Fräsantrieb. Wählen Sie das benötigte Ersatzteil aus der Ersatzteilliste Ihres Blizzard Gerätes aus und bestellen Sie einfach online. Viele Blizzard Ersatzteile halten wir ständig in unserem Lager für Sie bereit.


Qualitätsmanagement
Informieren Sie uns, wenn Sie einen Fehler gefunden haben.

















