Massey Ferguson MF 38-16 ASD 13AD90GF695 (2014) Mähwerk F (38"/96cm) Ersatzteile
Mähwerk F (38"/96cm) 13AD90GF695 (2014)

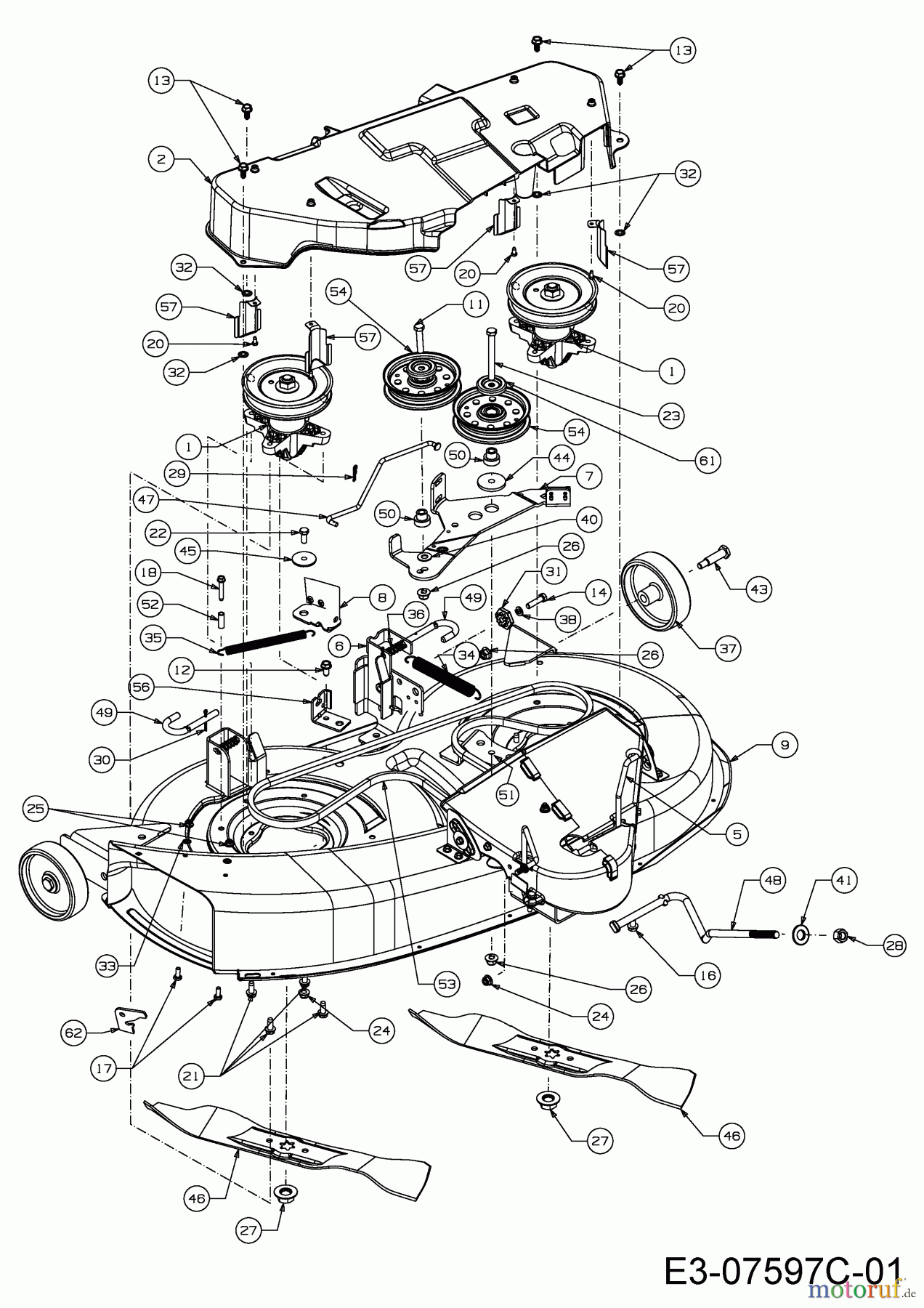
Hier finden Sie die Ersatzteilzeichnung für Massey Ferguson Rasentraktoren MF 38-16 ASD 13AD90GF695 (2014) Mähwerk F (38"/96cm). Wählen Sie das benötigte Ersatzteil aus der Ersatzteilliste Ihres Massey Ferguson Gerätes aus und bestellen Sie einfach online. Viele Massey Ferguson Ersatzteile halten wir ständig in unserem Lager für Sie bereit.









































