Massey Ferguson MF 38-16 ASD 13AD90GF695 (2014) Getriebe 618-04566, Halter Variator Ersatzteile
Getriebe 618-04566, Halter Variator 13AD90GF695 (2014)

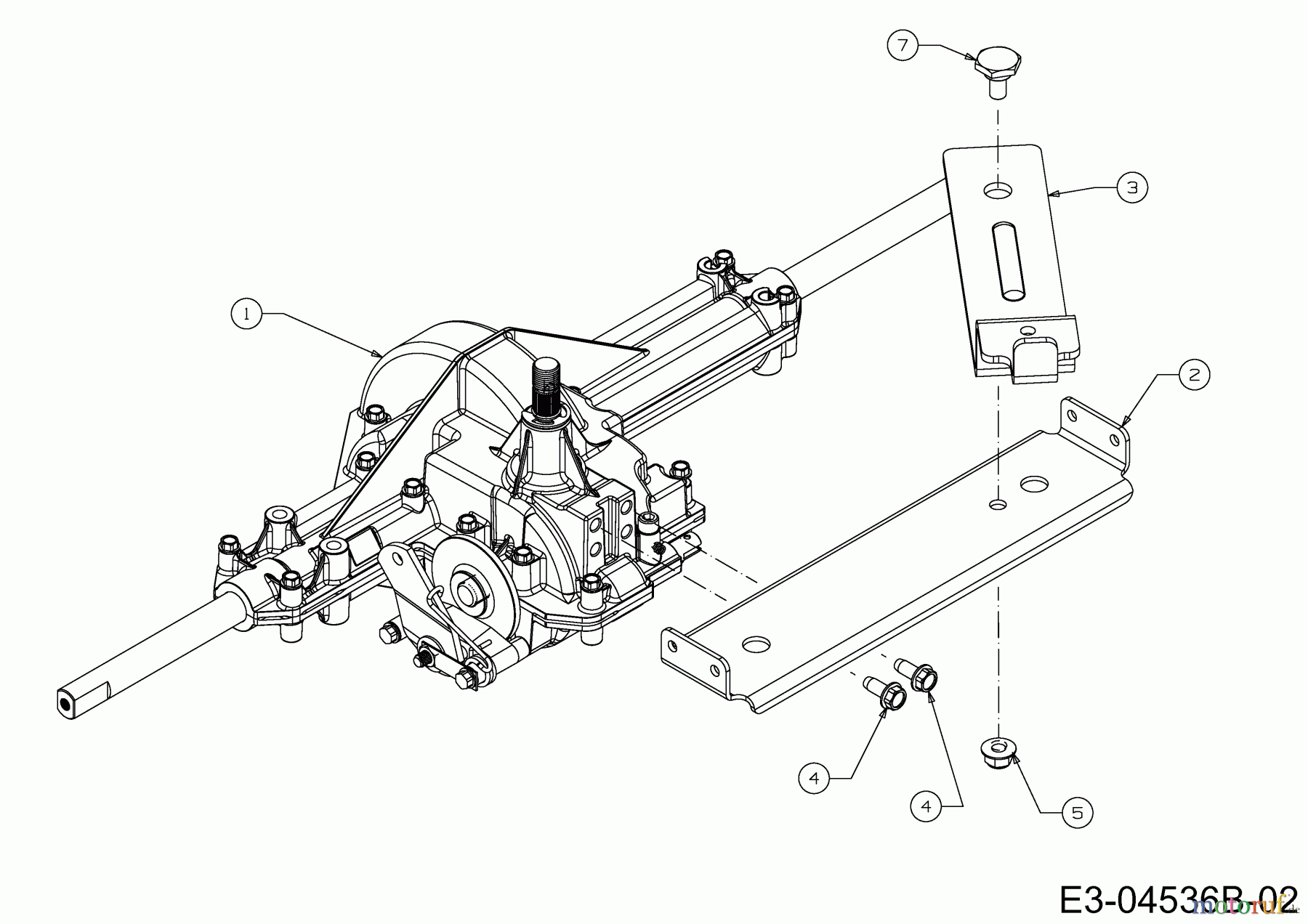
Hier finden Sie die Ersatzteilzeichnung für Massey Ferguson Rasentraktoren MF 38-16 ASD 13AD90GF695 (2014) Getriebe 618-04566, Halter Variator. Wählen Sie das benötigte Ersatzteil aus der Ersatzteilliste Ihres Massey Ferguson Gerätes aus und bestellen Sie einfach online. Viele Massey Ferguson Ersatzteile halten wir ständig in unserem Lager für Sie bereit.


Qualitätsmanagement
Informieren Sie uns, wenn Sie einen Fehler gefunden haben.




