Massey Ferguson MF 42-18 ASD 13AD90GG695 (2015) Schaltplan Ersatzteile
Schaltplan 13AD90GG695 (2015)

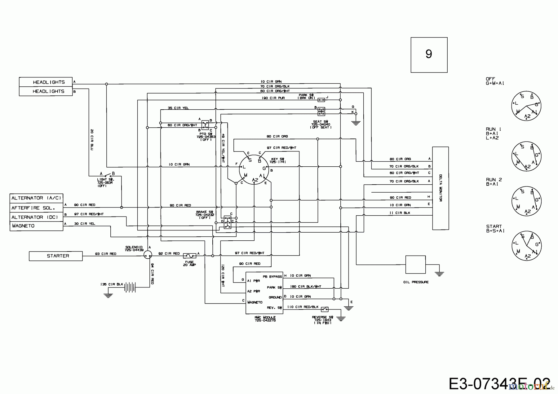
Hier finden Sie die Ersatzteilzeichnung für Massey Ferguson Rasentraktoren MF 42-18 ASD 13AD90GG695 (2015) Schaltplan. Wählen Sie das benötigte Ersatzteil aus der Ersatzteilliste Ihres Massey Ferguson Gerätes aus und bestellen Sie einfach online. Viele Massey Ferguson Ersatzteile halten wir ständig in unserem Lager für Sie bereit.
| BildNr | Artikel Nummer | Bezeichnung | |
| 9 | 725-05369 | KABELBAUM:NX9:MPTO:RMC:HRMTR: | |


Qualitätsmanagement
Informieren Sie uns, wenn Sie einen Fehler gefunden haben.

