Einstellungen Computer

Blizzard N 3-53 316-1800 (1986) Ersatzteile

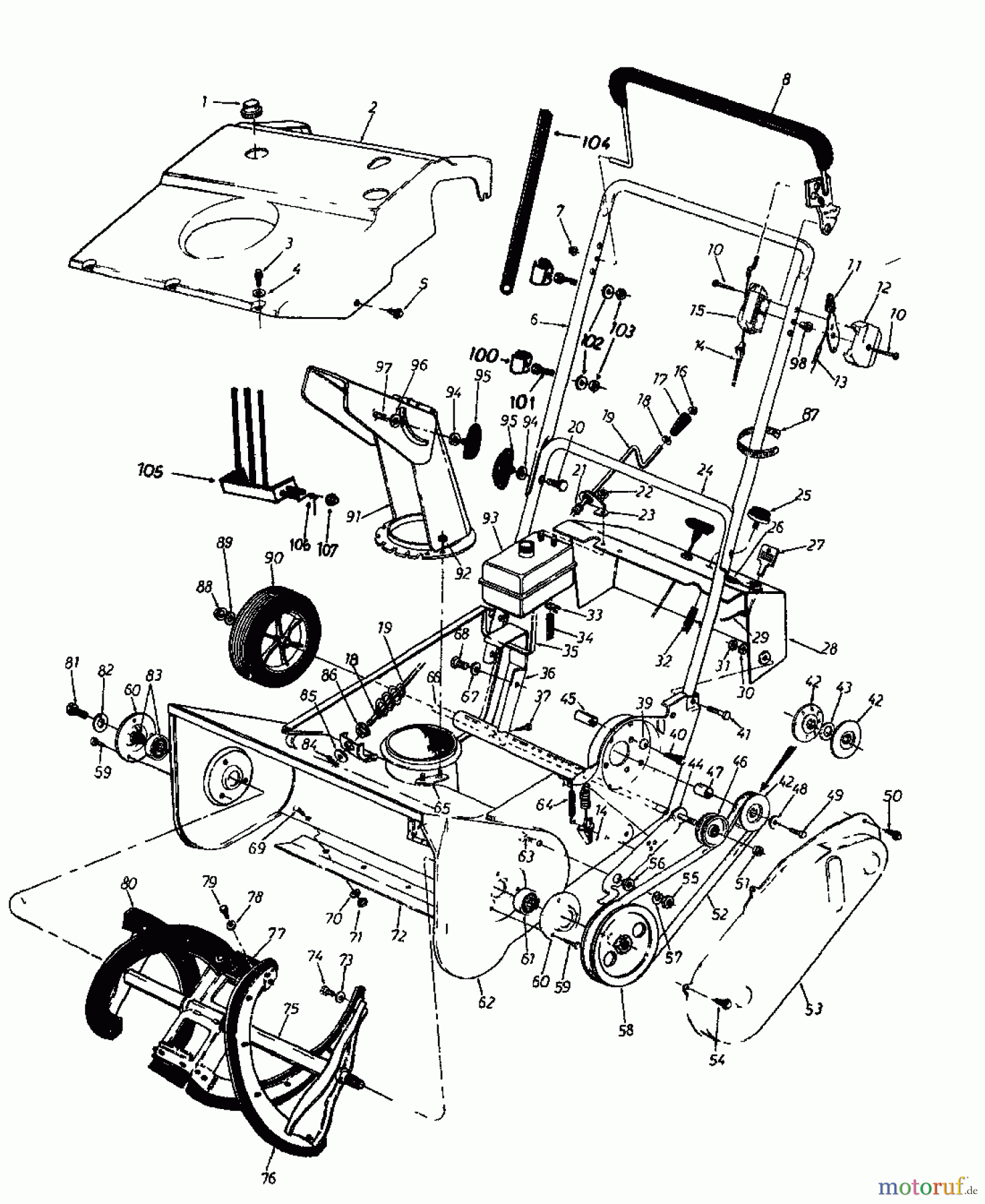
316-1800 (1986) N 3-53

 Blizzard Schneefräsen N 3-53 316-1800 (1986) Grundgerät

Hier finden Sie die Ersatzteilzeichnung für Blizzard Schneefräsen N 3-53 316-1800 (1986) Grundgerät. Wählen Sie das benötigte Ersatzteil aus der Ersatzteilliste Ihres Blizzard Gerätes aus und bestellen Sie einfach online. Viele Blizzard Ersatzteile halten wir ständig in unserem Lager für Sie bereit.

BildNrArtikel NummerBezeichnung
1 751-0353VERSCHLUßKAPPE F.TANK
2 731-0702HAUBE
3 710-0429SKT-SCHR #10X.38" SS
4 736-0370UNTERLAGSCHEIBE
5 710-08926KT-SCHR. L1/4-14:.625:HXLWS
6 749-0536LENKER OBEN
7 726-0135HALTEKAPPE
8 731-0609MESSERKUPPLUNGSGRIFF
10 710-0795
12 731-0525SCHALTGEHÄUßE AUßEN
14 746-0573
15 731-0526MOTOR-BETRIEBSSCH., UT
16 726-0100AUFDRUCKKAPPE 3/8": STANGE
17 720-0171GRIFF MIT BOHRUNG
18 736-0140SCHEIBE:FLACH:.385 x.62 x.063
19 784-5179
20 710-0405FL.SCHR.5/16-18X1.75"
21 735-0218
22 712-0107SKT-MUTTER 1/4-20"
23 784-5178HALTER F.STELLKURBEL
24 749-0691LENKER UNTEN
25 751-0354PRIMER
26 731-0496KUNSTSTOFF-STOPFEN
27 725-0954
28 784-5168
29 725-0958KABEL
30 Blizzard FEDERRING:5/16" NORMALAUSF.736-0119FEDERRING:5/16" NORMALAUSF.
31 712-02676KT-MUTTER:5/16-18:GR2
32 723-0354SCHLAUCHSTÜCK F.PRIMER
33 726-0207SCHLAUCHKLEMME
34 751-0173
35 726-0225HALTEBAND
36 784-5341STÜTZE (MOTOR)
37 710-08926KT-SCHR. L1/4-14:.625:HXLWS
39 Blizzard TELLERFEDER.340 x.872 x.060736-0242TELLERFEDER.340 x.872 x.060
40 710-0442SKT-SCHR.5/16-18X1.50"
41 710-0442SKT-SCHR.5/16-18X1.50"
42 756-0416
43 736-0116FL-SCHEIBE .635 x.93 x.06
44 784-5180
45 750-0589DISTANZHÜLSE
46 756-0313SPANNROLLE
47 748-0201DIST.HÜLSE .62X.88X1.56"
48 Blizzard TELLERFEDER.340 x.872 x.060736-0242TELLERFEDER.340 x.872 x.060
49 Blizzard 6KT-SCHR:5/16-24:.75 GR5 STD710-01576KT-SCHR:5/16-24:.75 GR5 STD
50 710-08926KT-SCHR. L1/4-14:.625:HXLWS
51 712-0296SKT.-STOP MUTTER:3/8-24
52 Blizzard 754-0101
53 784-5176ABDECKUNG
54 710-03526KT-SCHR:1/4-14:.375:HWINDWSH
55 712-02676KT-MUTTER:5/16-18:GR2
56 Blizzard FLANSCHLAGERBUCHSE:.315DLX1748-0234FLANSCHLAGERBUCHSE:.315DLX1
57 Blizzard FEDERRING:5/16" NORMALAUSF.736-0119FEDERRING:5/16" NORMALAUSF.
58 756-0475KEILRIEMENSCHEIBE M.NABE
59 710-03526KT-SCHR:1/4-14:.375:HWINDWSH
60 784-5174LAGERDECKEL
61 741-0124KUGELLAGER
62 784-5325
63 710-0323FLK-SCHR:5/16-18:0.750:TRUSPHI
64 732-0357
65 05783FLANSCHBEFESTIGUNG
66 749-0605RADACHSE
67 Blizzard FEDERRING 1/4" NORMALAUSF.736-0329FEDERRING 1/4" NORMALAUSF.
68 Blizzard 6KT-SCHR:TT:1/4-20:0.500:HXIND710-05996KT-SCHR:TT:1/4-20:0.500:HXIND
69 Blizzard FLRD-SCHRAUBE:1/4-20:.62:GR5710-0134FLRD-SCHRAUBE:1/4-20:.62:GR5
70 Blizzard TELLERSCHEIBE:.265x.750x.060736-0270TELLERSCHEIBE:.265x.750x.060
71 712-02876KT-MUTTER:1/4-20:GR2
72 731-0778VERSCHLEIßSCHIENE
73 736-0142FL-SCHEIBE:.281 x .50 x .063
74 Blizzard SCHRAUBE:1/4-14:0,625:HXINDWSH710-0896SCHRAUBE:1/4-14:0,625:HXINDWSH
75 784-5335EINZUGSCHNECKE
76 731-0781
77 731-0782GUMMIAUSWURFPLATTE
78 736-0400FL-SCHEIBE:.194 x .62 x .063
79 710-0962SCHRAUBE
80 731-0780
81 710-08756KT-SCHR:TT:1/4-20:.75:HXI:LOC
83 753-0374SATZ LAGER U. LAGERDECKEL
84 Blizzard SPLINT:3/32 X .750714-0507SPLINT:3/32 X .750
85 736-0234SCHEIBE:FL:.385 x 1.500 x .060
86 741-0403SKT-FLANSCHLAGER
87 726-0188KABELKLEMME
88 726-0221ACHSENKLEMMRING:1/2"
89 736-0108FL-SCHEIBE:.510 x.750 x.033
90 734-0831RAD KPL.
91 784-5332AUSWURFSCHACHT ZUS.
92 712-0107SKT-MUTTER 1/4-20"
93 751-0435KRAFTSTOFFTANK
94 Blizzard TELLERFEDER.340 x.872 x.060736-0242TELLERFEDER.340 x.872 x.060
96 736-0278SCHEIBE .330x.687x.030:HT
97 710-0260FL.RUNDSCHR.5/16-18X.62"
98 731-0524BUCHSE
100 727-0276HALTEKLAMMER
101 710-01066KT-SCHR:1/4-20:1.25:GR5:SPEC
102 Blizzard TELLERSCHEIBE:.265x.750x.060736-0270TELLERSCHEIBE:.265x.750x.060
103 712-02876KT-MUTTER:1/4-20:GR2
104 739-0156HOLZSTÖßEL
105 784-5190EINGRIFFSCHUTZ
106 732-0485SCHENKELFEDER
107 Blizzard SICHERUNGSKAPPE 1/4"726-0106SICHERUNGSKAPPE 1/4"
Rasen
Bankeinzug, MasterCard, Visa, American Express, PayPal, Nachnahme, Vorauskasse, Sofortüberweisung
Datenschutzerklärung Impressum
Qualitätsmanagement
Informieren Sie uns, wenn Sie einen Fehler gefunden haben.