Einstellungen Computer

Blizzard 3-53 316-1500 (1986) Ersatzteile

316-1500 (1986) 3-53

 Blizzard Schneefräsen 3-53 316-1500 (1986) Grundgerät

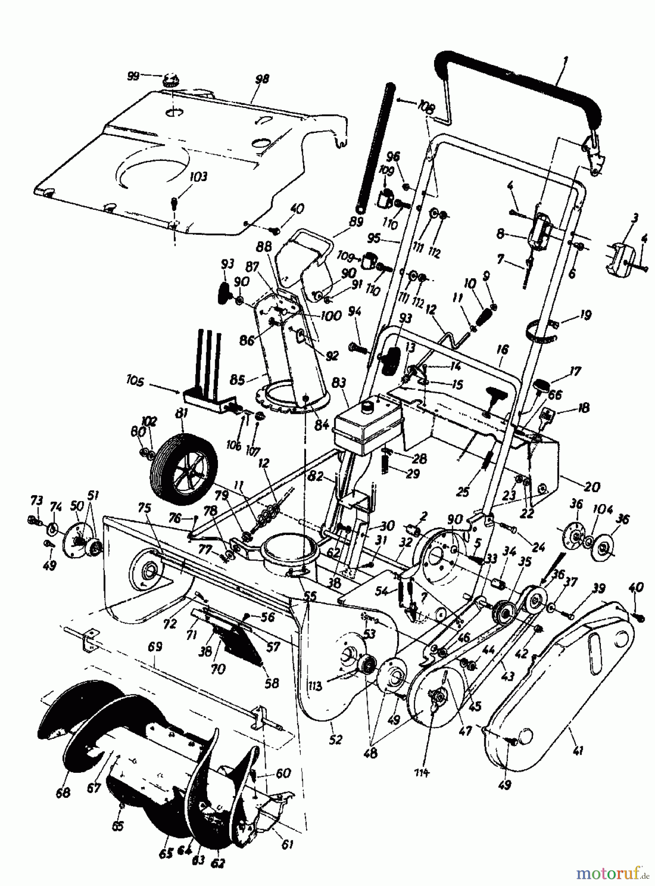
Hier finden Sie die Ersatzteilzeichnung für Blizzard Schneefräsen 3-53 316-1500 (1986) Grundgerät. Wählen Sie das benötigte Ersatzteil aus der Ersatzteilliste Ihres Blizzard Gerätes aus und bestellen Sie einfach online. Viele Blizzard Ersatzteile halten wir ständig in unserem Lager für Sie bereit.

BildNrArtikel NummerBezeichnung
1 731-0609MESSERKUPPLUNGSGRIFF
2 750-0589DISTANZHÜLSE
3 731-0525SCHALTGEHÄUßE AUßEN
4 710-0796FLK-SCHRAUBE #12-16:1.500:
5 710-0442SKT-SCHR.5/16-18X1.50"
6 731-0524BUCHSE
7 746-0506BOWDENZUG
8 731-0526MOTOR-BETRIEBSSCH., UT
9 726-0100AUFDRUCKKAPPE 3/8": STANGE
10 720-0171GRIFF MIT BOHRUNG
11 736-0140SCHEIBE:FLACH:.385 x.62 x.063
12 784-5179ASTELLKURBEL
13 735-0218AÖSENTÜLLE
14 Blizzard 6KT-SCHR:1/4-15:0.750:HXINDWSH710-08956KT-SCHR:1/4-15:0.750:HXINDWSH
15 784-5178HALTER F.STELLKURBEL
16 749-0604LENKER UNTEN
17 751-0354PRIMER
18 TC-35062ZÜNDSCHLÜSSEL
19 726-0188KABELKLEMME
20 784-5168BGEHÄUSEDECKEL
22 Blizzard FEDERRING:5/16" NORMALAUSF.736-0119FEDERRING:5/16" NORMALAUSF.
23 712-02676KT-MUTTER:5/16-18:GR2
24 710-0442SKT-SCHR.5/16-18X1.50"
25 723-0354SCHLAUCHSTÜCK F.PRIMER
28 726-0207SCHLAUCHKLEMME
29 Blizzard BENZINSCHLAUCH  METERWARE751-0535-METBENZINSCHLAUCH METERWARE
30 784-5177STREBE
31 710-08926KT-SCHR. L1/4-14:.625:HXLWS
32 749-0605RADACHSE
33 753-0712KIT-ARM F.KR-SPANNROLLE
34 748-0192DISTANZHÜLSE
35 756-0313SPANNROLLE
36 756-0416AKEILRIEMENSCHEIBE-HÄLFTE
37 Blizzard TELLERFEDER.340 x.872 x.060736-0242TELLERFEDER.340 x.872 x.060
39 Blizzard 6KT-SCHR:5/16-24:.75 GR5 STD710-01576KT-SCHR:5/16-24:.75 GR5 STD
39 Blizzard FEDERRING 1/4" NORMALAUSF.736-0329FEDERRING 1/4" NORMALAUSF.
40 710-08926KT-SCHR. L1/4-14:.625:HXLWS
41 784-5176ABDECKUNG
42 712-0296SKT.-STOP MUTTER:3/8-24
43 754-0285KEILRIEMEN
44 712-02676KT-MUTTER:5/16-18:GR2
45 Blizzard FEDERRING:5/16" NORMALAUSF.736-0119FEDERRING:5/16" NORMALAUSF.
46 Blizzard FLANSCHLAGERBUCHSE:.315DLX1748-0234FLANSCHLAGERBUCHSE:.315DLX1
47 715-0151SPANNHÜLSE 1/4X1"
48 753-0398SATZ KR-SCHEIBE M.LAGER
49 710-03526KT-SCHR:1/4-14:.375:HWINDWSH
50 784-5174LAGERDECKEL
51 753-0374SATZ LAGER U. LAGERDECKEL
52 784-5150SCHNECKENGEHÄUSE
53 710-0323FLK-SCHR:5/16-18:0.750:TRUSPHI
54 732-0357AZUGFEDER: .33 OD x 1.12 LG
55 05783FLANSCHBEFESTIGUNG
56 710-0776ASKT-SCHR.S.SCHN.1/4X.62"
57 14531KLEMMSTÜCK
58 731-0587GUMMIKLAPPE
60 710-08926KT-SCHR. L1/4-14:.625:HXLWS
61 784-5171SCHNECKENTEILHÄLFTE
62 Blizzard 6KT-SCHR:TT:1/4-20:0.500:HXIND710-05996KT-SCHR:TT:1/4-20:0.500:HXIND
63 736-0173SCHEIBE:FLACH: .28 x.74 x.063
64 731-0700GUMMISCHNECKE
65 Blizzard SCHRAUBE:1/4-14:0,625:HXINDWSH710-0896SCHRAUBE:1/4-14:0,625:HXINDWSH
66 731-0496KUNSTSTOFF-STOPFEN
67 784-5171SCHNECKENTEILHÄLFTE
68 731-0700GUMMISCHNECKE
69 784-5172ACHSE F.SCHNECKENROLLE
70 712-02876KT-MUTTER:1/4-20:GR2
71 753-0451S.GEHÄUSE-ABSCHLUßSCHIENE
72 710-0167FL-RUNDSCHR:1/4-20:.50"GRADE A
73 710-08756KT-SCHR:TT:1/4-20:.75:HXI:LOC
74 Blizzard FEDERRING 1/4" NORMALAUSF.736-0329FEDERRING 1/4" NORMALAUSF.
75 784-5159LEISTE
76 710-03526KT-SCHR:1/4-14:.375:HWINDWSH
77 Blizzard SPLINT:3/32 X .750714-0507SPLINT:3/32 X .750
78 736-0234SCHEIBE:FL:.385 x 1.500 x .060
79 741-0403SKT-FLANSCHLAGER
80 725-0221KABEL
81 734-0831RAD KPL.
82 726-0225HALTEBAND
83 751-0352KRAFTSTOFFTANK
84 712-0107SKT-MUTTER 1/4-20"
85 784-5160AUSBLASSCHACHT ZUS.
86 710-0260FL.RUNDSCHR.5/16-18X.62"
87 728-0481NIETE
88 721-0198ABDECKSTÜCK
89 784-5163AUSBLASKLAPPE
90 Blizzard TELLERFEDER.340 x.872 x.060736-0242TELLERFEDER.340 x.872 x.060
91 712-0158S-MUTTER:5/16-18:GR A:CTRLK
92 784-5170ANSCHLAG F.AUSBLASKLAPPE
93 9966GRIFFMUTTER 5/16-18"
94 710-0405FL.SCHR.5/16-18X1.75"
95 749-0680LENKER OBEN
96 726-0135HALTEKAPPE
98 731-0702HAUBE
99 751-0353VERSCHLUßKAPPE F.TANK
100 710-0276FLACHRUNDSCHR: 5/16-18:1.00
102 736-0108FL-SCHEIBE:.510 x.750 x.033
103 710-0351KREUZSCHLITZ-SCHR:#10-16:0.500
104 736-0116FL-SCHEIBE .635 x.93 x.06
105 784-5190EINGRIFFSCHUTZ
106 732-0485SCHENKELFEDER
107 Blizzard SICHERUNGSKAPPE 1/4"726-0106SICHERUNGSKAPPE 1/4"
108 739-0156HOLZSTÖßEL
109 727-0276HALTEKLAMMER
110 710-01066KT-SCHR:1/4-20:1.25:GR5:SPEC
111 Blizzard TELLERSCHEIBE:.265x.750x.060736-0270TELLERSCHEIBE:.265x.750x.060
112 712-02876KT-MUTTER:1/4-20:GR2
113 741-0124KUGELLAGER
114 753-0398SATZ KR-SCHEIBE M.LAGER
Rasen
Bankeinzug, MasterCard, Visa, American Express, PayPal, Nachnahme, Vorauskasse, Sofortüberweisung
Datenschutzerklärung Impressum
Qualitätsmanagement
Informieren Sie uns, wenn Sie einen Fehler gefunden haben.