Massey Ferguson MF 38-15 SD 13AV91CF695 (2009) Fahrantrieb ab 21.08.2008 bis 20.10.2008 Ersatzteile
Fahrantrieb ab 21.08.2008 bis 20.10.2008 13AV91CF695 (2009)

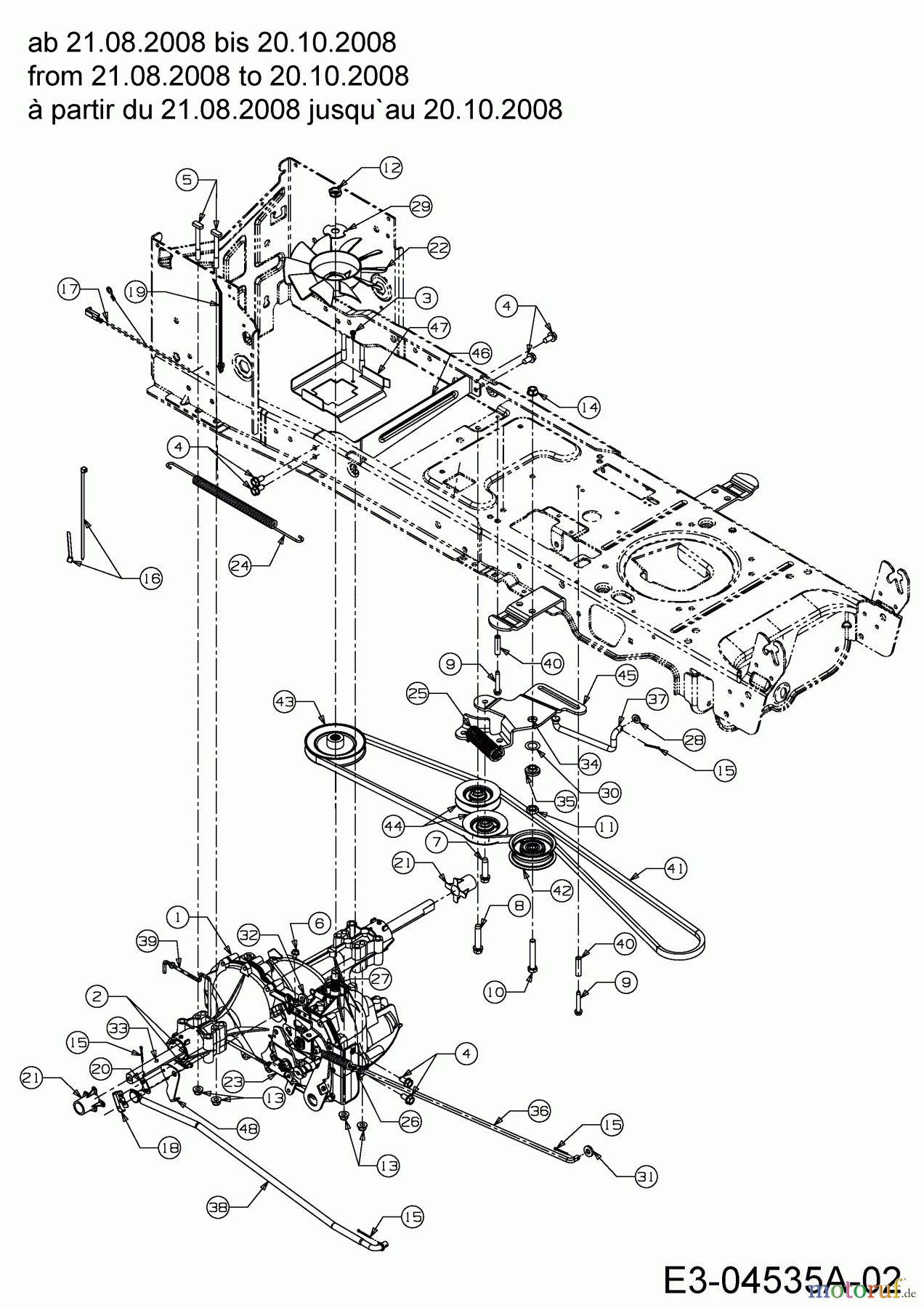
Hier finden Sie die Ersatzteilzeichnung für Massey Ferguson Rasentraktoren MF 38-15 SD 13AV91CF695 (2009) Fahrantrieb ab 21.08.2008 bis 20.10.2008. Wählen Sie das benötigte Ersatzteil aus der Ersatzteilliste Ihres Massey Ferguson Gerätes aus und bestellen Sie einfach online. Viele Massey Ferguson Ersatzteile halten wir ständig in unserem Lager für Sie bereit.























