Gutbrod LB 55-45 02871.01 (1989) Ersatzteile
02871.01 (1989) LB 55-45

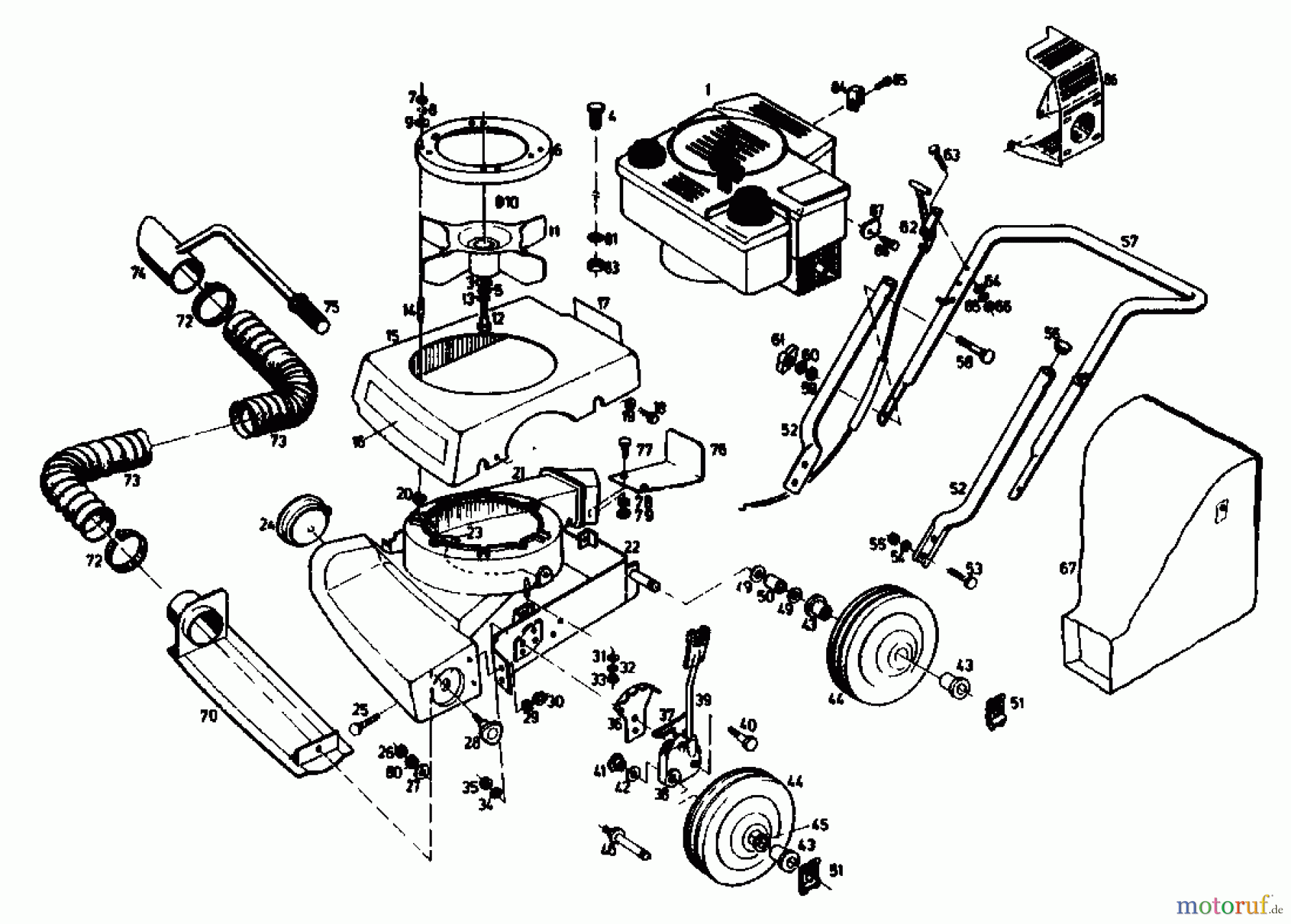
Hier finden Sie die Ersatzteilzeichnung für Gutbrod Laubbläser, Laubsauger LB 55-45 02871.01 (1989) Grundgerät. Wählen Sie das benötigte Ersatzteil aus der Ersatzteilliste Ihres Gutbrod Gerätes aus und bestellen Sie einfach online. Viele Gutbrod Ersatzteile halten wir ständig in unserem Lager für Sie bereit.


Qualitätsmanagement
Informieren Sie uns, wenn Sie einen Fehler gefunden haben.

