Gutbrod GLX 122 FH 17BT4BFY690 (2011) Elektromagnetkupplung, Motorzubehör, Tank Ersatzteile
Elektromagnetkupplung, Motorzubehör, Tank 17BT4BFY690 (2011)

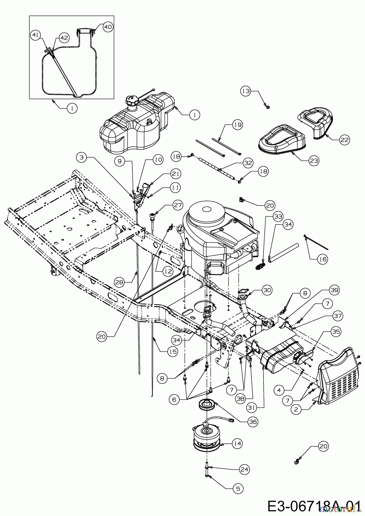
Hier finden Sie die Ersatzteilzeichnung für Gutbrod Zero Turn GLX 122 FH 17BT4BFY690 (2011) Elektromagnetkupplung, Motorzubehör, Tank. Wählen Sie das benötigte Ersatzteil aus der Ersatzteilliste Ihres Gutbrod Gerätes aus und bestellen Sie einfach online. Viele Gutbrod Ersatzteile halten wir ständig in unserem Lager für Sie bereit.


Qualitätsmanagement
Informieren Sie uns, wenn Sie einen Fehler gefunden haben.













