Gutbrod GLX 105 RALK 13BG50GN490 (2009) Fahrantrieb Ersatzteile
Fahrantrieb 13BG50GN490 (2009)

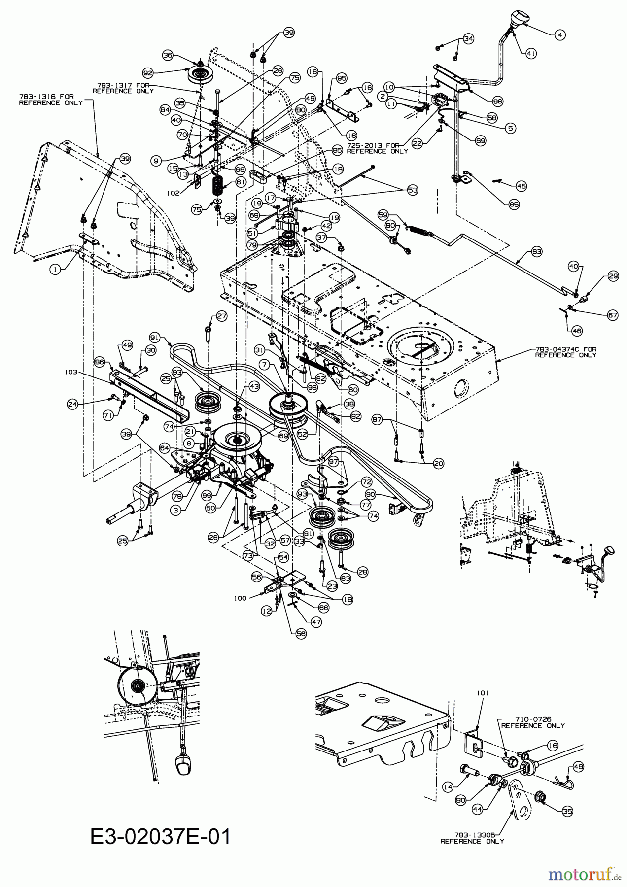
Hier finden Sie die Ersatzteilzeichnung für Gutbrod Rasentraktoren GLX 105 RALK 13BG50GN490 (2009) Fahrantrieb. Wählen Sie das benötigte Ersatzteil aus der Ersatzteilliste Ihres Gutbrod Gerätes aus und bestellen Sie einfach online. Viele Gutbrod Ersatzteile halten wir ständig in unserem Lager für Sie bereit.


Qualitätsmanagement
 Informieren Sie uns, wenn Sie einen Fehler gefunden haben.






















































