Gutbrod GLX 105 RA 13AD90GN690 (2012) Schaltplan Ersatzteile
Schaltplan 13AD90GN690 (2012)

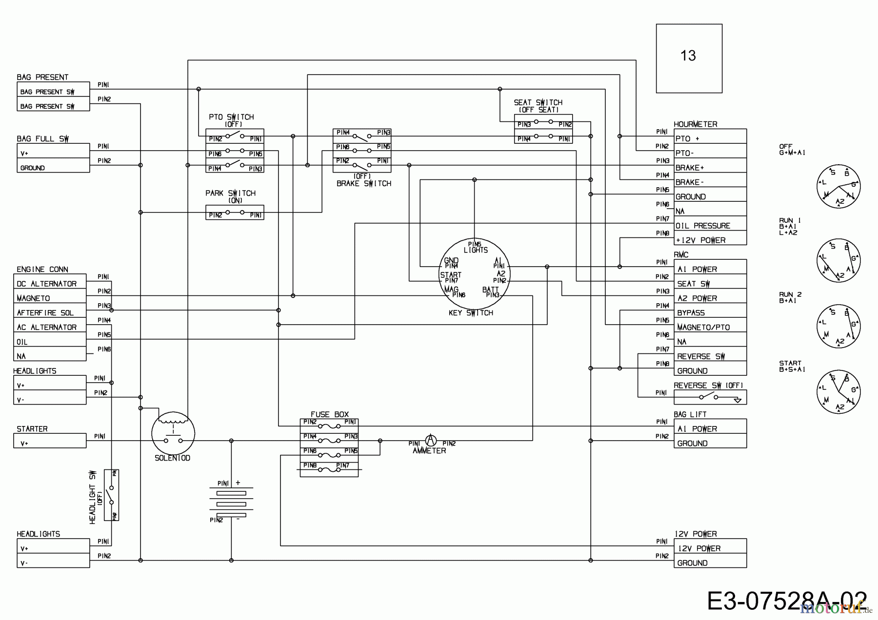
Hier finden Sie die Ersatzteilzeichnung für Gutbrod Rasentraktoren GLX 105 RA 13AD90GN690 (2012) Schaltplan. Wählen Sie das benötigte Ersatzteil aus der Ersatzteilliste Ihres Gutbrod Gerätes aus und bestellen Sie einfach online. Viele Gutbrod Ersatzteile halten wir ständig in unserem Lager für Sie bereit.
| BildNr | Artikel Nummer | Bezeichnung | |
| 13 | 725-05352 | KABELBAUM:500NX:MAN:HR:AM:OCR: | |


Qualitätsmanagement
Informieren Sie uns, wenn Sie einen Fehler gefunden haben.

