Gutbrod DLX 127 SAL-SK 13AF606P690 (2008) Schaltplan Ersatzteile
Schaltplan 13AF606P690 (2008)

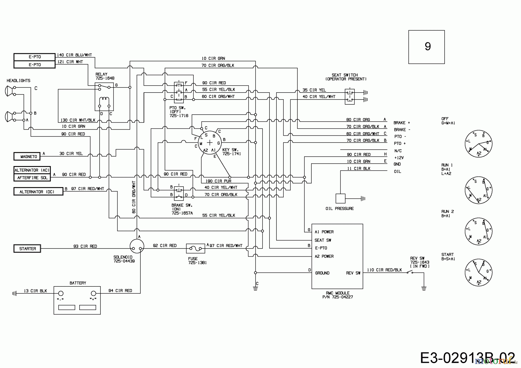
Hier finden Sie die Ersatzteilzeichnung für Gutbrod Rasentraktoren DLX 127 SAL-SK 13AF606P690 (2008) Schaltplan. Wählen Sie das benötigte Ersatzteil aus der Ersatzteilliste Ihres Gutbrod Gerätes aus und bestellen Sie einfach online. Viele Gutbrod Ersatzteile halten wir ständig in unserem Lager für Sie bereit.



