Ryobi Elektro EBC1040#1 bis 2005 Ersatzteile
EBC1040#1 bis 2005 Elektro

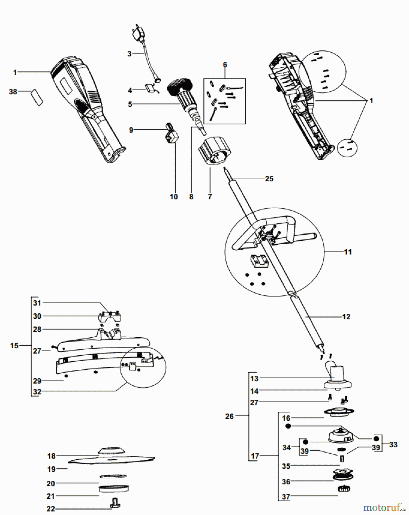
Hier finden Sie die Ersatzteilzeichnung für Ryobi Sensen Freischneider Elektro EBC1040#1 bis 2005. Wählen Sie das benötigte Ersatzteil aus der Ersatzteilliste Ihres Ryobi Gerätes aus und bestellen Sie einfach online. Viele Ryobi Ersatzteile halten wir ständig in unserem Lager für Sie bereit.



