Ryobi Benzin RLM1956ME Kurbelgehäuse Ersatzteile
Kurbelgehäuse RLM1956ME

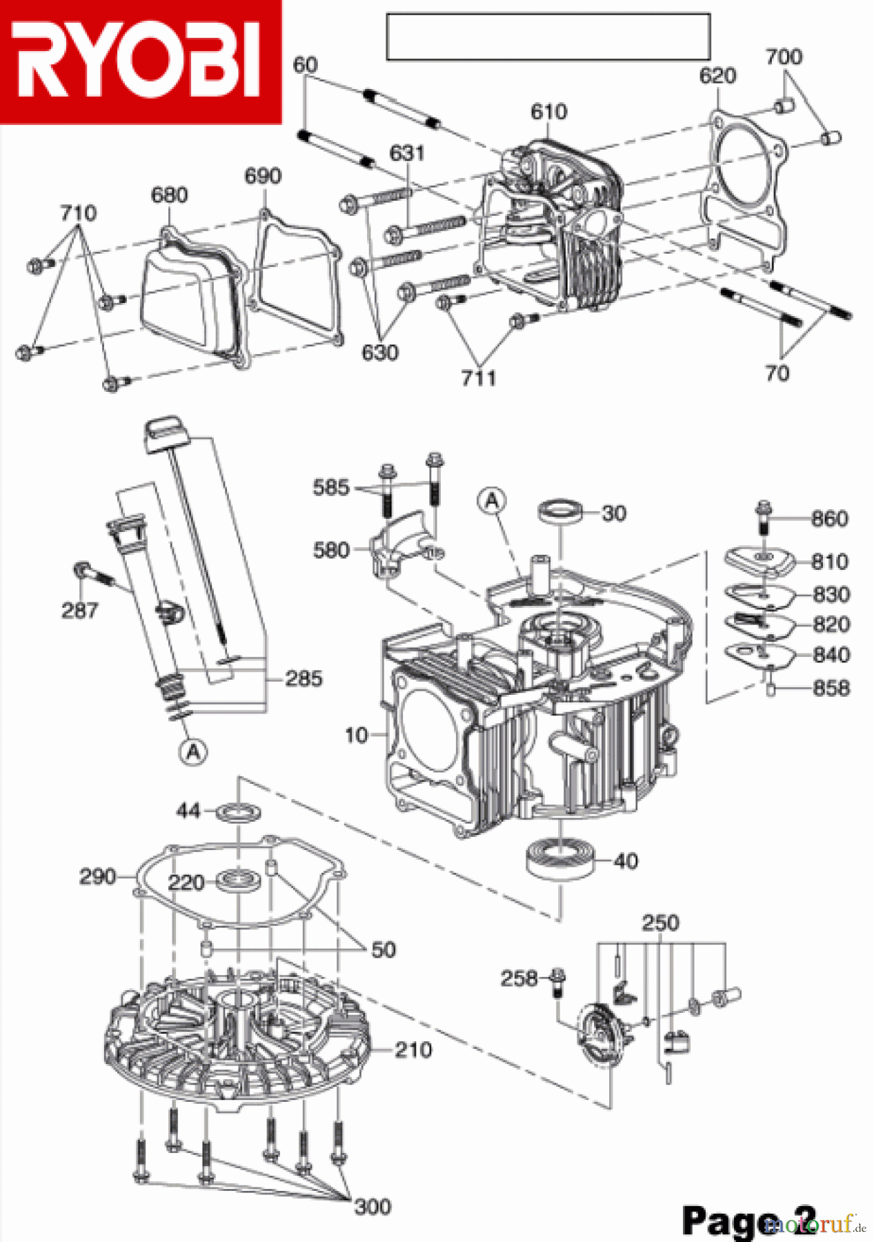
Hier finden Sie die Ersatzteilzeichnung für Ryobi Rasenmäher Benzin RLM1956ME Kurbelgehäuse. Wählen Sie das benötigte Ersatzteil aus der Ersatzteilliste Ihres Ryobi Gerätes aus und bestellen Sie einfach online. Viele Ryobi Ersatzteile halten wir ständig in unserem Lager für Sie bereit.
| BildNr | Artikel Nummer | Bezeichnung | |
| 010 | 5131027811 | CRANKCASE | |
| 030 | 5131027812 | SEAL | |
| 040 | 5131027813 | BALL BEARING | |
| 044 | 5131027814 | WASHER | |
| 050 | 5131027815 | PIN | |
| 060 | 5131027816 | STUD | |
| 070 | 5131027817 | STUD | |
| 210 | 5131027818 | CRANKCASE | |
| 220 | 5131027819 | SEAL | |
| 250 | 5131027820 | GEAR | |
| 285 | 5131027822 | GAUGE | |
| 287 | 5131027821 | BOLT | |
| 290 | 5131027824 | GASKET | |
| 300 | 5131027823 | BOLT | |
| 580 | 5131027825 | BOLT | |
| 585 | 5131027826 | DEFLECTOR | |
| 610 | 5131027828 | CRANKCASE | |
| 620 | 5131027829 | GASKET | |
| 630 | 5131027830 | BOLT | |
| 631 | 5131027831 | BOLT | |
| 680 | 5131027832 | COVER | |
| 690 | 5131027833 | GASKET | |
| 700 | 5131027834 | PIN | |
| 710 | 5131027835 | BOLT | |
| 711 | 5131027836 | BOLT | |
| 810 | 5131027837 | COVER | |
| 820 | 5131027838 | GASKET | |
| 830 | 5131027839 | GASKET | |
| 840 | 5131027840 | GASKET | |
| 858 | 5131027841 | PIN | |
| 860 | 5131027842 | BOLT | |



