Homelite HPW2201 Ersatzteile
HPW2201 Hochdruckreiniger

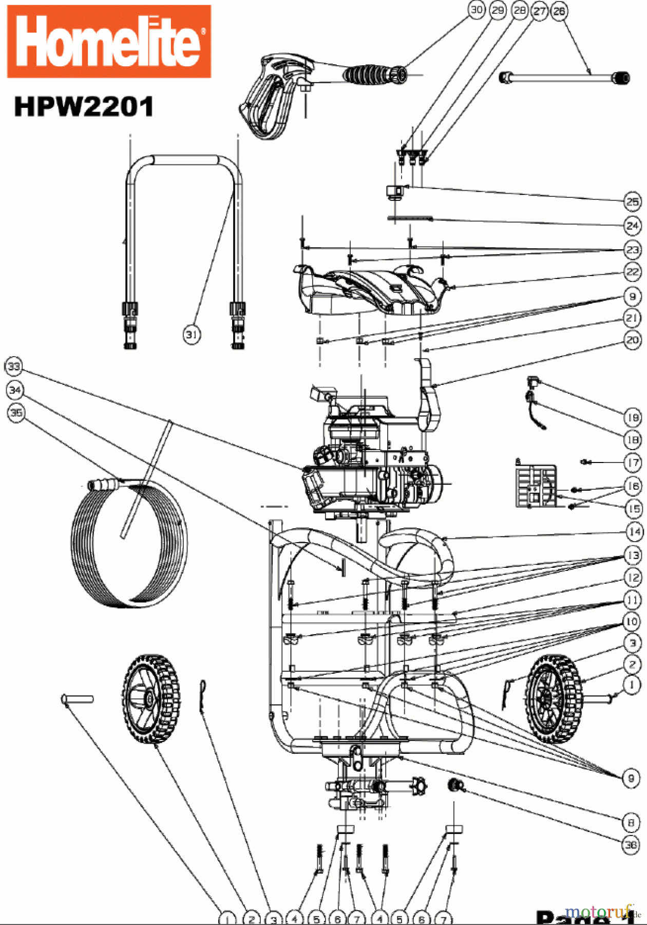
Hier finden Sie die Ersatzteilzeichnung für Homelite Hochdruckreiniger HPW2201. Wählen Sie das benötigte Ersatzteil aus der Ersatzteilliste Ihres Homelite Gerätes aus und bestellen Sie einfach online. Viele Homelite Ersatzteile halten wir ständig in unserem Lager für Sie bereit.


Qualitätsmanagement
Informieren Sie uns, wenn Sie einen Fehler gefunden haben.

