Powerline Rasentraktor T16-102 HD Edition Ersatzteile
T16-102 HD Edition Rasentraktor
Artikel Nummer: 119265

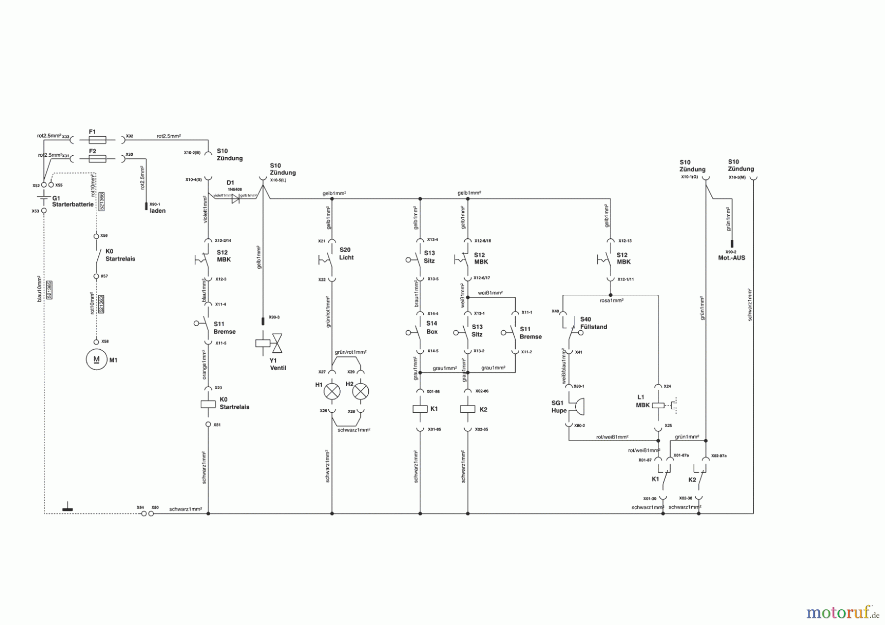
Hier finden Sie die Ersatzteilzeichnung für Powerline Gartentechnik Rasentraktor T16-102 HD Edition Seite 9. Wählen Sie das benötigte Ersatzteil aus der Ersatzteilliste Ihres Powerline Gerätes aus und bestellen Sie einfach online. Viele Powerline Ersatzteile halten wir ständig in unserem Lager für Sie bereit.
| BildNr | Artikel Nummer | Bezeichnung | |
| AL521363 | KABEL ROT STARTER/RELAIS | ||
| AL521365 | KABEL BLAU MASSELEITER | ||
| AL521366 | KABEL ROT BATTERIE/RELAIS | ||


Qualitätsmanagement
Informieren Sie uns, wenn Sie einen Fehler gefunden haben.

