Powerline Rasentraktor T 18-102 HDE Ersatzteile
T 18-102 HDE Rasentraktor
Artikel Nummer: 118918 01022009

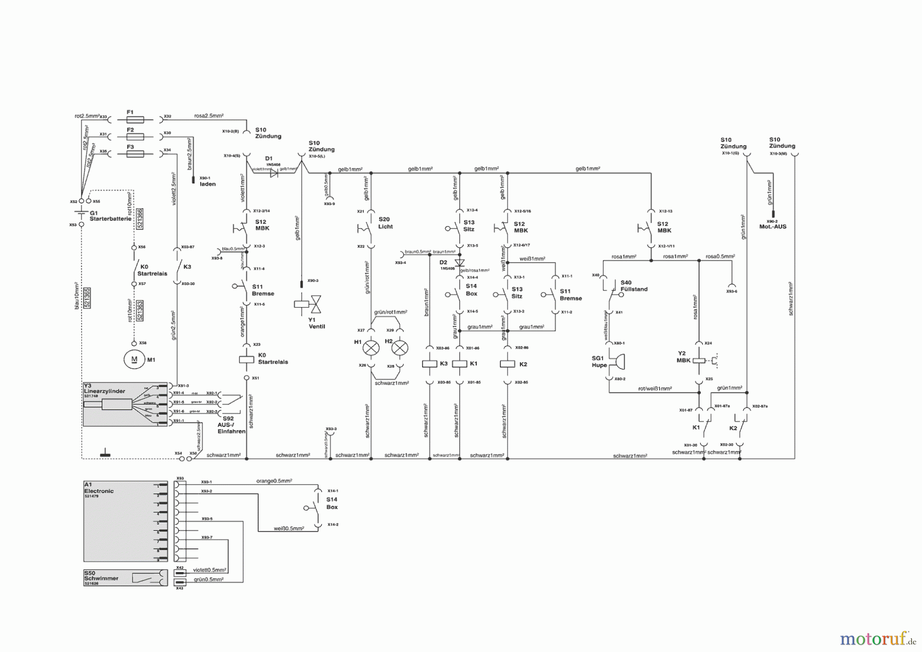
Hier finden Sie die Ersatzteilzeichnung für Powerline Gartentechnik Rasentraktor T 18-102 HDE ab 02/2009 Seite 9. Wählen Sie das benötigte Ersatzteil aus der Ersatzteilliste Ihres Powerline Gerätes aus und bestellen Sie einfach online. Viele Powerline Ersatzteile halten wir ständig in unserem Lager für Sie bereit.


Qualitätsmanagement
Informieren Sie uns, wenn Sie einen Fehler gefunden haben.

