Powerline Rasentraktor T 15-92 HDE Ersatzteile
T 15-92 HDE Rasentraktor
Artikel Nummer: 118864 01012010

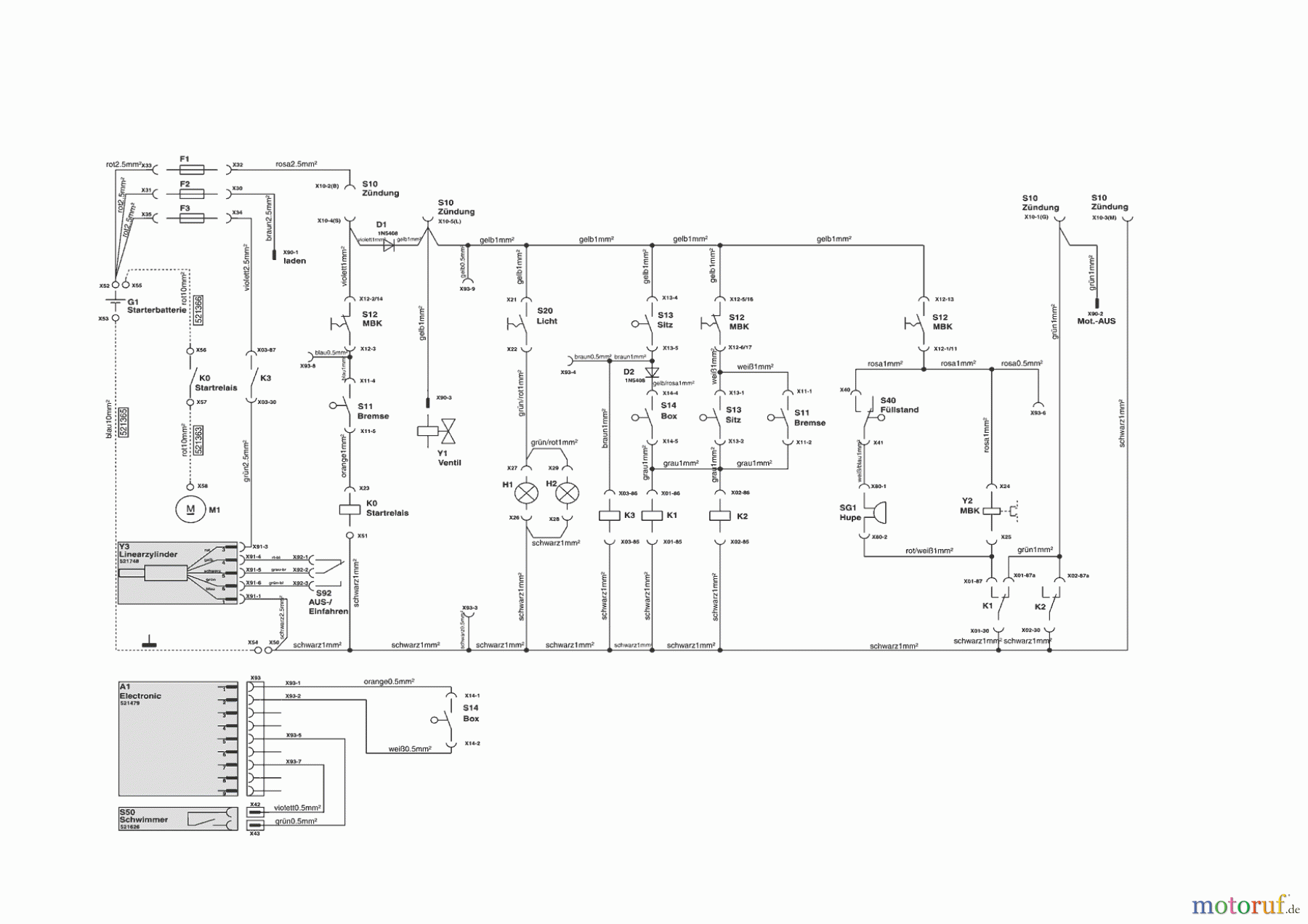
Hier finden Sie die Ersatzteilzeichnung für Powerline Gartentechnik Rasentraktor T 15-92 HDE 01/2010 - 02/2011 Seite 9. Wählen Sie das benötigte Ersatzteil aus der Ersatzteilliste Ihres Powerline Gerätes aus und bestellen Sie einfach online. Viele Powerline Ersatzteile halten wir ständig in unserem Lager für Sie bereit.


Qualitätsmanagement
Informieren Sie uns, wenn Sie einen Fehler gefunden haben.

