Powerline Rasentraktor T 15-92 HD Ersatzteile
T 15-92 HD Rasentraktor
Artikel Nummer: 118863 01022009

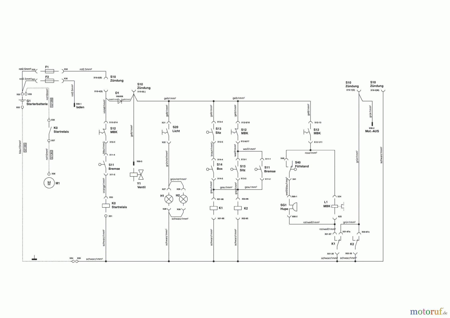
Hier finden Sie die Ersatzteilzeichnung für Powerline Gartentechnik Rasentraktor T 15-92 HD 02/2009 - 01/2010 Seite 9. Wählen Sie das benötigte Ersatzteil aus der Ersatzteilliste Ihres Powerline Gerätes aus und bestellen Sie einfach online. Viele Powerline Ersatzteile halten wir ständig in unserem Lager für Sie bereit.
| BildNr | Artikel Nummer | Bezeichnung | |
| AL521363 | KABEL ROT STARTER/RELAIS | ||
| AL521365 | KABEL BLAU MASSELEITER | ||
| AL521366 | KABEL ROT BATTERIE/RELAIS | ||


Qualitätsmanagement
Informieren Sie uns, wenn Sie einen Fehler gefunden haben.

