Orion Benzinrasenmäher 40 B Ersatzteile
40 B Benzinrasenmäher
Artikel Nummer: 121275 01052009

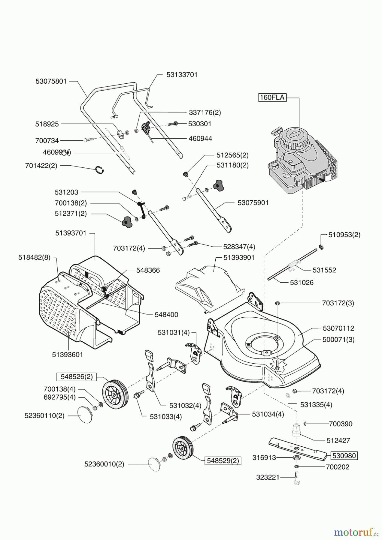
Hier finden Sie die Ersatzteilzeichnung für Orion Gartentechnik Benzinrasenmäher 40 B ab 05/2009 Seite 1. Wählen Sie das benötigte Ersatzteil aus der Ersatzteilliste Ihres Orion Gerätes aus und bestellen Sie einfach online. Viele Orion Ersatzteile halten wir ständig in unserem Lager für Sie bereit.














