Mr. Gardener Rasentraktor B 125/74 Ersatzteile
B 125/74 Rasentraktor
Artikel Nummer: 118799 01022009

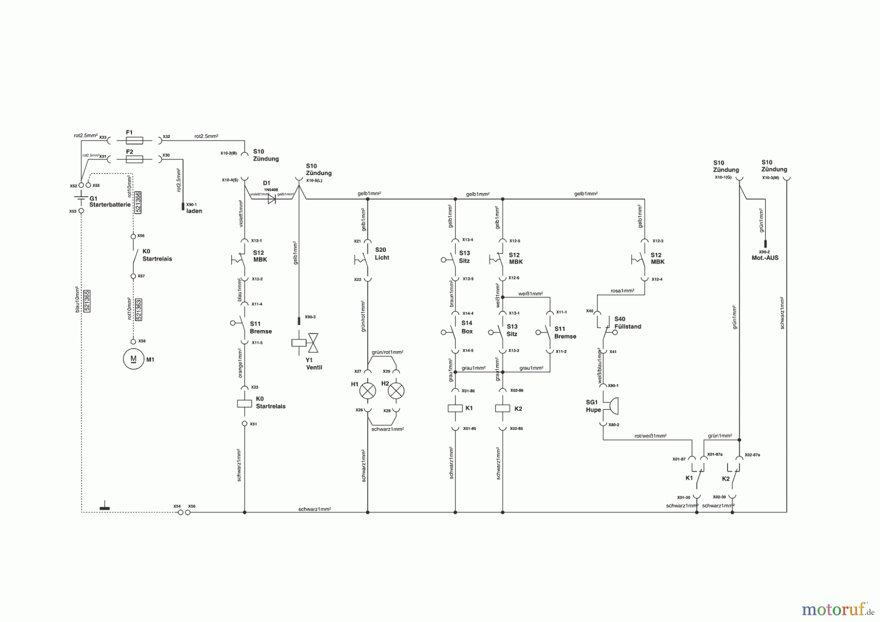
Hier finden Sie die Ersatzteilzeichnung für Mr. Gardener Gartentechnik Rasentraktor B 125/74 ab 02/2009 Seite 9. Wählen Sie das benötigte Ersatzteil aus der Ersatzteilliste Ihres Mr. Gardener Gerätes aus und bestellen Sie einfach online. Viele Mr. Gardener Ersatzteile halten wir ständig in unserem Lager für Sie bereit.
| BildNr | Artikel Nummer | Bezeichnung | |
| AL521363 | KABEL ROT STARTER/RELAIS | ||
| AL521365 | KABEL BLAU MASSELEITER | ||
| AL521366 | KABEL ROT BATTERIE/RELAIS | ||


Qualitätsmanagement
Informieren Sie uns, wenn Sie einen Fehler gefunden haben.

