Grüne Welle Rasentraktor 102-175 H Ersatzteile
102-175 H Rasentraktor
Artikel Nummer: 118997 01032009

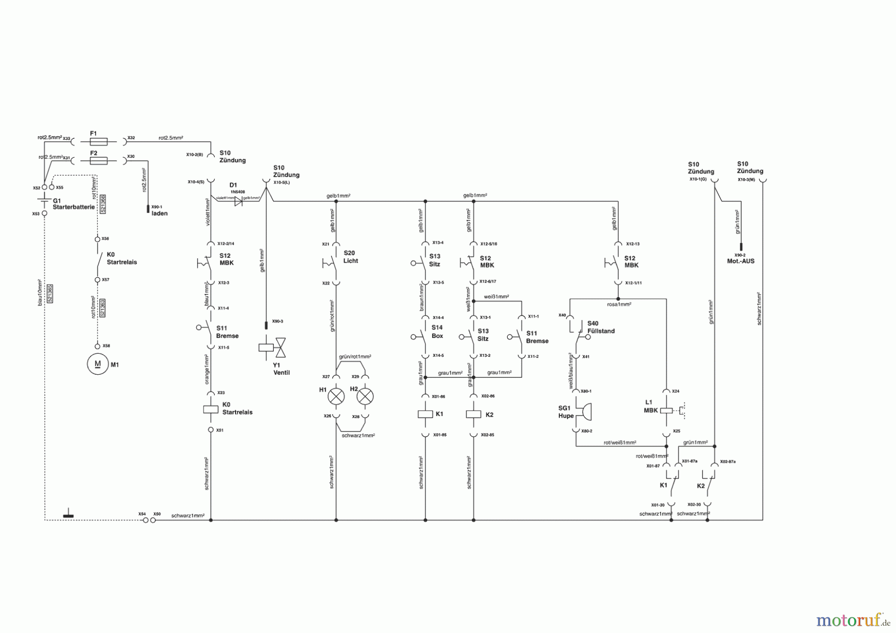
Hier finden Sie die Ersatzteilzeichnung für Grüne Welle Gartentechnik Rasentraktor 102-175 H ab 03/2009 Seite 9. Wählen Sie das benötigte Ersatzteil aus der Ersatzteilliste Ihres Grüne Welle Gerätes aus und bestellen Sie einfach online. Viele Grüne Welle Ersatzteile halten wir ständig in unserem Lager für Sie bereit.
| BildNr | Artikel Nummer | Bezeichnung | |
| AL521363 | KABEL ROT STARTER/RELAIS | ||
| AL521365 | KABEL BLAU MASSELEITER | ||
| AL521366 | KABEL ROT BATTERIE/RELAIS | ||


Qualitätsmanagement
Informieren Sie uns, wenn Sie einen Fehler gefunden haben.

